0
问答首页 最新问题 热门问题 等待回答标签广场
我要提问

电机控制电路

XJ01-14至20型自耦降压启动器电路

XJ01-14至20型自耦降压启动器电路
提问者:ya54031 地点:- 浏览次数:10173 提问时间:04-09 03:51
我有更好的答案
提 交
1条回答
daaty 04-10 09:36

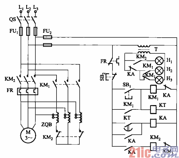
50.XJ01-14至20型自耦降压启动器电路.gif


XJ01系列自耦器适用于380V、容量在300kW及其以下的电动机作降压启动用。启动

器具有过载、失压等保护功能。通过时间继电器控制自耦降压启动器自动完成接人与退出转

换。启动时间(5~120s)可调。

(1) XI01-14~20型自耦降压启动器启动电路

    电路如图3-50所示。它采用两只接触器自动切换。图中,Hi为全压运行指示灯,H2

为降压启动指示灯,H3为电源指示灯。

撰写答案
提 交
1 / 3
1 / 3
相关电机控制电路
直流电动机正反转控制电路
直流电动机工作原理图
大功率直流电动机过流保护电路
直流电动机控制电路
.时间继电器控制正反转启动电路