0
问答首页 最新问题 热门问题 等待回答标签广场
我要提问

电源电路电源

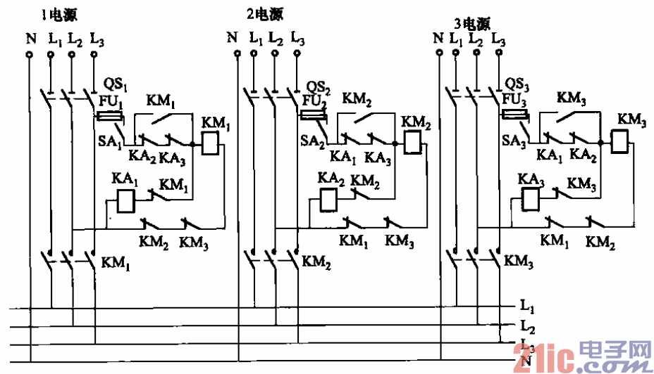
三路电源互备自投电路

三路电源互备自投电路
提问者:云汉008 地点:- 浏览次数:3036 提问时间:07-03 02:57
我有更好的答案
提 交
1条回答
fojewfdoewif 07-09 19:15

137.三路电源互备自投电路.gif


当供电源停电时,主备用电源自动投入运行,当主备用电源断

电时,则次备用电源自动投入运行,从而大大提高供电的可靠性。

撰写答案
提 交
1 / 3
1 / 3
相关电源电路
无噪声的的功放电源电路
LG CF-25H84彩电开关电源电路
LG MC-8AA机心彩电开关电源电路
LG MC-022A机心彩电开关电源电路
LG MC-019A机心彩电开关电源电路
相关电源
TDA16846组成的彩电开关电源原理图
联想LX-PL4C2型彩色显示器开关电源电路
长虹CN-9机心彩电开关电源电路
索尼KV2184彩电开关电源电路
王牌TCL-3460D彩电开关电源电路