0
问答首页 最新问题 热门问题 等待回答标签广场
我要提问

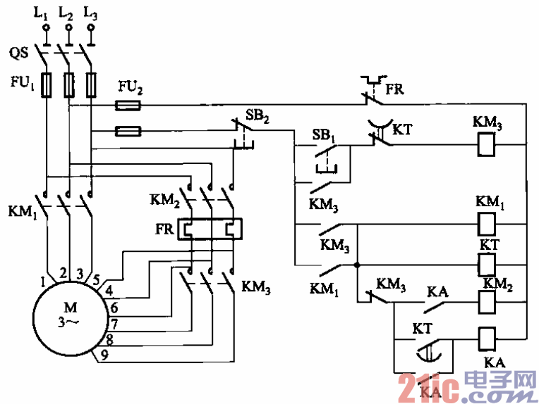
电机控制电路

自动延边△形降压启动电路之二

自动延边△形降压启动电路之二
提问者:秦小姐9048 地点:- 浏览次数:3159 提问时间:07-06 00:11
我有更好的答案
提 交
1条回答
kallon7250 07-10 07:34

60.自动延边△形降压启动电路之二.gif


(2)自动延边△形降压启动电路之二

    电路如图3-60所示。其启动时间由时间继电器KT决定。

撰写答案
提 交
1 / 3
1 / 3
相关电机控制电路
直流电动机正反转控制电路
直流电动机工作原理图
大功率直流电动机过流保护电路
直流电动机控制电路
.时间继电器控制正反转启动电路