
模块化双电源转换装置由电力电子控制模块组成,适用于低压配电系统中TN系统和
TT系统。设有中性线分断与不分断两种型式。包括备自投和互自投两种方式。主电源复归
包括手动复归和自动复归。模块内设置了双重电子联锁,外电路又设置了电气与机械联锁t
确保双电源不互通。另外,设有必要的延时。
①考虑到电网正常调度和供电线路自动重合闸所引起的短时正常失电,为避免末端双
电源、转换装置不必要的转换,所以模块预设延时2~3s。
②考虑自备发电机的启动并正常送电,需延时15~30s;若发电装置已设有正常送电延
时,则双电源转换延时仍为2—3s。
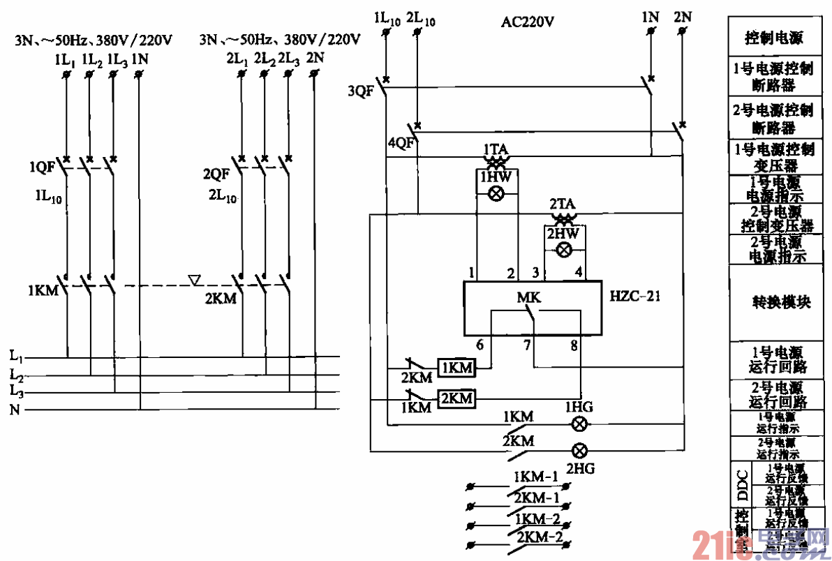
电路如图所示,它属于各自投自复、自复电源转换装置,适用于小容量(不大
于100A)双电源转换箱。采用HZC-21型转换模块。