0
问答首页 最新问题 热门问题 等待回答标签广场
我要提问

电机控制电路

延边△形两级降压启动电路

延边△形两级降压启动电路
提问者:xixunled 地点:- 浏览次数:649 提问时间:11-10 17:24
我有更好的答案
提 交
1条回答
小Qhhui 11-16 23:56

61.延边△形两级降压启动电路.gif




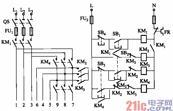
61.    电路如图3-61所示。该降压启动电路为按钮手动控制式。启动时,电动机绕组先接成

Y形,然后转移成延边△形,最后接成△形,属两级降压启动。

 

撰写答案
提 交
1 / 3
1 / 3
相关电机控制电路
直流电动机正反转控制电路
直流电动机工作原理图
大功率直流电动机过流保护电路
直流电动机控制电路
.时间继电器控制正反转启动电路