0
问答首页 最新问题 热门问题 等待回答标签广场
我要提问

电机控制电路

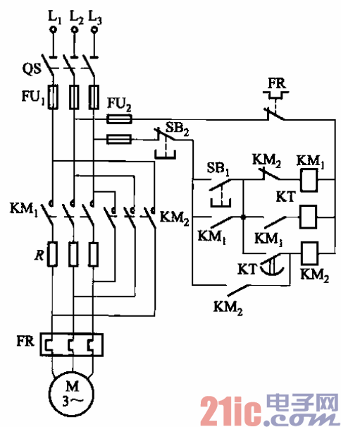
定子回路串电阻降压启动自动控制电路

定子回路串电阻降压启动自动控制电路
提问者:60user110 地点:- 浏览次数:1118 提问时间:01-08 00:32
我有更好的答案
提 交
1条回答
uwufjwer 01-15 21:53

33.定子回路串电阻降压启动自动控制电路.gif


(2)定子回路串电阻降压启动自动控制电路

    电路如图3-33所示。它利用时间继电器KT实现自动控制。

撰写答案
提 交
1 / 3
1 / 3
相关电机控制电路
直流电动机正反转控制电路
直流电动机工作原理图
大功率直流电动机过流保护电路
直流电动机控制电路
.时间继电器控制正反转启动电路