
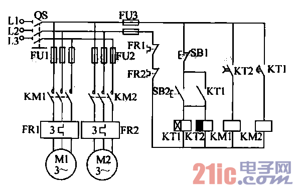
电路在控制电气设备起动时,先起动电动机Ml,延时自动起动电动机M2,而在停止时划相反,即先
停止电动机M2,再延时自动停止电动机~n。自动讶
换的两台电动机按顺序起动、逆序停止电路如图4-29
所示。
工作原理是当起动时,按下起动按钮SB2,得电
延时时间继电器KT1厦失电延时时间继电器KT2线
圈同时得电吸合,且KT1不延时瞬动触点闭合自镁.
KT2失电延时断开的动合触点闭合,交流接触器
KM1线圈得电吸合,其主触点KMl}Ij合,电动机
Ml起动。
经~定延时后,KT1延时闭合的动合触点闭合,
交流接触器KM2线圈得屯吸合.KM2主触头闭合,
电动机M2起动.实现先起动电动机Ml,再自动起
动电动机MZ。
停止时,则按下停止按钮SB1,此时KTI、KT2线圈均失电释放。KT1得电延时闭合的动合触点恢复
常开,KM2线圈断电释放。