0
问答首页 最新问题 热门问题 等待回答标签广场
我要提问

电源电路电源

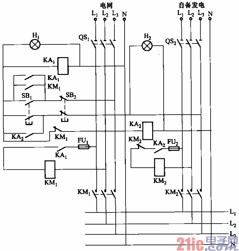
外电网电源与自备发电电源互投电路

外电网电源与自备发电电源互投电路
提问者:daoyuan98 地点:- 浏览次数:3318 提问时间:07-04 04:26
我有更好的答案
提 交
1条回答
我是帅哥铭帅 07-13 21:34

141.外电网电源与自备发电电源互投电路.gif


该电路有以下三个特点:外电源与自备发电不牵连,在既有

外电源又有自备发电时,只会让外电源接入负载,不会造成事故;当外电源停电、自备

发电接入使用后,外电源又恢复供电时,能自动实现电源供给电路的切换,可自动切断

自各发电供电,并通知其停车,而由外电源接人运行;可实现缺相保护,无论外电源或

自备发电供电,若发生缺相或主电路保险丝熔断时,都能自行切断供电,避免缺相运行

带来的危害。

撰写答案
提 交
1 / 3
1 / 3
相关电源电路
无噪声的的功放电源电路
LG CF-25H84彩电开关电源电路
LG MC-8AA机心彩电开关电源电路
LG MC-022A机心彩电开关电源电路
LG MC-019A机心彩电开关电源电路
相关电源
TDA16846组成的彩电开关电源原理图
联想LX-PL4C2型彩色显示器开关电源电路
长虹CN-9机心彩电开关电源电路
索尼KV2184彩电开关电源电路
王牌TCL-3460D彩电开关电源电路