0
问答首页 最新问题 热门问题 等待回答标签广场
我要提问

电机控制电路

延边△形三级降压启动电路

延边△形三级降压启动电路
提问者:60user52 地点:- 浏览次数:2097 提问时间:02-24 22:41
我有更好的答案
提 交
1条回答
分修一班人 03-03 02:16

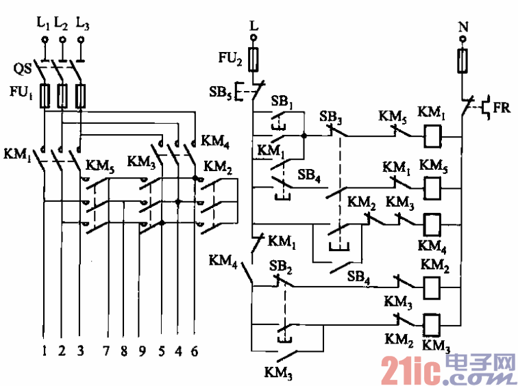
62.延边△形三级降压启动电路.gif


电路如图3-62所示。该降压启动电路为按钮手动控制式。启动时,电动机绕组先接成

Y形,再先后转移成延边△形(2:1)、延边△形(1 t 2),最后转移成△形投入正常运行,

属三级降压启动。

 

撰写答案
提 交
1 / 3
1 / 3
相关电机控制电路
直流电动机正反转控制电路
直流电动机工作原理图
大功率直流电动机过流保护电路
直流电动机控制电路
.时间继电器控制正反转启动电路