0
问答首页 最新问题 热门问题 等待回答标签广场
我要提问

电机控制电路直流电路

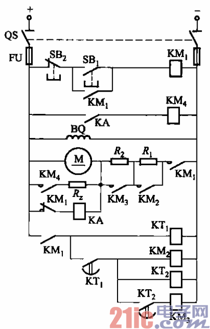
直流电动机电枢串接电阻启动能耗制动单向运转电路之三

直流电动机电枢串接电阻启动能耗制动单向运转电路之三
提问者:nmmmma 地点:- 浏览次数:4801 提问时间:10-15 07:30
我有更好的答案
提 交
1条回答
artman66 10-23 12:49

198.直流电动机电枢串接电阻启动能耗制动单向运转电路之三.gif


 电路如图3-198所示。该电路具有两级启动电阻(Ri、R2),由时间继电器KTi、KTz

控制启动电阻的切除;停机时采用能耗制动(制动电阻R。)。

 

撰写答案
提 交
1 / 3
1 / 3
相关电机控制电路
直流电动机正反转控制电路
直流电动机工作原理图
大功率直流电动机过流保护电路
直流电动机控制电路
.时间继电器控制正反转启动电路
相关直流电路
直流功率计电路图
直流伺服恒流功放电路图
交直流两用功放电路制作
纯直流场效应管功放电路原理图
直流电机的可逆原理