0
问答首页 最新问题 热门问题 等待回答标签广场
我要提问

电机控制电路

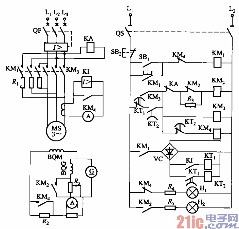
同步电动机电阻降压、按定子电流变化加入励磁的启动电路

同步电动机电阻降压、按定子电流变化加入励磁的启动电路
提问者:净小空空 地点:- 浏览次数:3748 提问时间:06-05 08:16
我有更好的答案
提 交
1条回答
gvjhvbc 06-06 18:14

188.同步电动机电阻降压、按定子电流变化加入励磁的启动电路.gif




188.    这是利用定子电流值反映电动机转速的一种加入励磁的启动电路,如图3-188所示。

    图中tKA为欠压继电器,当电网电压低到一定值时,KA释放,使接触器KMz吸合,

短接磁场电阻R:,直流发电机输出增加(即强励).同步电动机的励磁电流增加,从而保证

同步电动机正常运行。

撰写答案
提 交
1 / 3
1 / 3
相关电机控制电路
直流电动机正反转控制电路
直流电动机工作原理图
大功率直流电动机过流保护电路
直流电动机控制电路
.时间继电器控制正反转启动电路