0
问答首页 最新问题 热门问题 等待回答标签广场
我要提问

电机控制电路直流电路

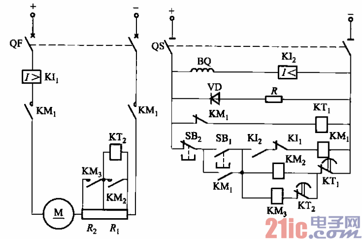
直流电动机电枢串入电阻启动调试电路之二

直流电动机电枢串入电阻启动调试电路之二
提问者:fb3544 地点:- 浏览次数:6928 提问时间:01-01 01:03
我有更好的答案
提 交
1条回答
此僧唯一自传 01-06 02:24

191.直流电动机电枢串入电阻启动调试电路之二.gif


 电路如图3-191所示。该线路在直流电动机电枢回路中串入两级启动电阻Ri、Rz,利

用按钮实现电动机的启动和停止控制。在启动过程中由两个时间继电器KTi、KTz自动切

除两级启动电阻。

 

撰写答案
提 交
1 / 3
1 / 3
相关电机控制电路
直流电动机正反转控制电路
直流电动机工作原理图
大功率直流电动机过流保护电路
直流电动机控制电路
.时间继电器控制正反转启动电路
相关直流电路
直流功率计电路图
直流伺服恒流功放电路图
交直流两用功放电路制作
纯直流场效应管功放电路原理图
直流电机的可逆原理