0
问答首页 最新问题 热门问题 等待回答标签广场
我要提问

电机控制电路直流电路

直流发电机电压自动调整电路

直流发电机电压自动调整电路
提问者:东莞吉创 地点:- 浏览次数:6832 提问时间:12-16 04:31
我有更好的答案
提 交
1条回答
国电赛邵 12-18 19:04

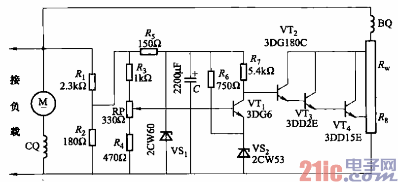
53.直流发电机电压自动调整电路.gif


直流发电机电压自动调整电路如图7-53所示。该电路用于40kW、230V的复励直流电

机,电压变化率可达2. 5%。

    图7-53中,BQ为并励绕组,co为串励绕组}外接电阻Rw串接在并励绕组回路。

调节电位器RP,可改变发电机输出电压设定值。

撰写答案
提 交
1 / 3
1 / 3
相关电机控制电路
直流电动机正反转控制电路
直流电动机工作原理图
大功率直流电动机过流保护电路
直流电动机控制电路
.时间继电器控制正反转启动电路
相关直流电路
直流功率计电路图
直流伺服恒流功放电路图
交直流两用功放电路制作
纯直流场效应管功放电路原理图
直流电机的可逆原理