0
问答首页 最新问题 热门问题 等待回答标签广场
我要提问

电机控制电路直流电路

直流有刷电动机驱动电路原理图

直流有刷电动机驱动电路原理图
提问者:tutu10 地点:- 浏览次数:6849 提问时间:04-21 02:24
我有更好的答案
提 交
1条回答
shanba31 04-24 13:11

46.直流有刷电动机驱动电路原理图.gif


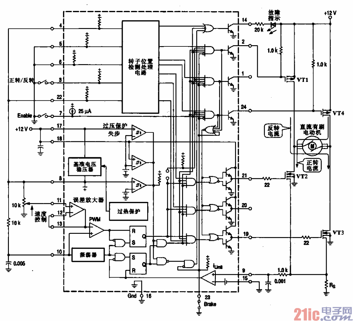
直流有刷电动机驱动电路原理图


采用MC33035芯片的直辩£有刷电动机驱动电路

    圈所示为典型直流有刷电动机驱动电路原理图.4个场效应晶体管构成桥式驱动电路,当VTI、

VT3晶体管导通时,正向驱动电动机旋转;当VT2、VT4晶体管导通时,反向驱动电动机旋转。驱动信

号由芯片MC33035产生。

撰写答案
提 交
1 / 3
1 / 3
相关电机控制电路
直流电动机正反转控制电路
直流电动机工作原理图
大功率直流电动机过流保护电路
直流电动机控制电路
.时间继电器控制正反转启动电路
相关直流电路
直流功率计电路图
直流伺服恒流功放电路图
交直流两用功放电路制作
纯直流场效应管功放电路原理图
直流电机的可逆原理