0
问答首页 最新问题 热门问题 等待回答标签广场
我要提问

电机控制电路直流电路直流电动机电路

直流电动机驱动集成电路

直流电动机驱动集成电路
提问者:wulanghua 地点:- 浏览次数:6543 提问时间:04-18 06:15
我有更好的答案
提 交
1条回答
sulidudu 04-20 04:36

17.直流电动机驱动集成电路.gif


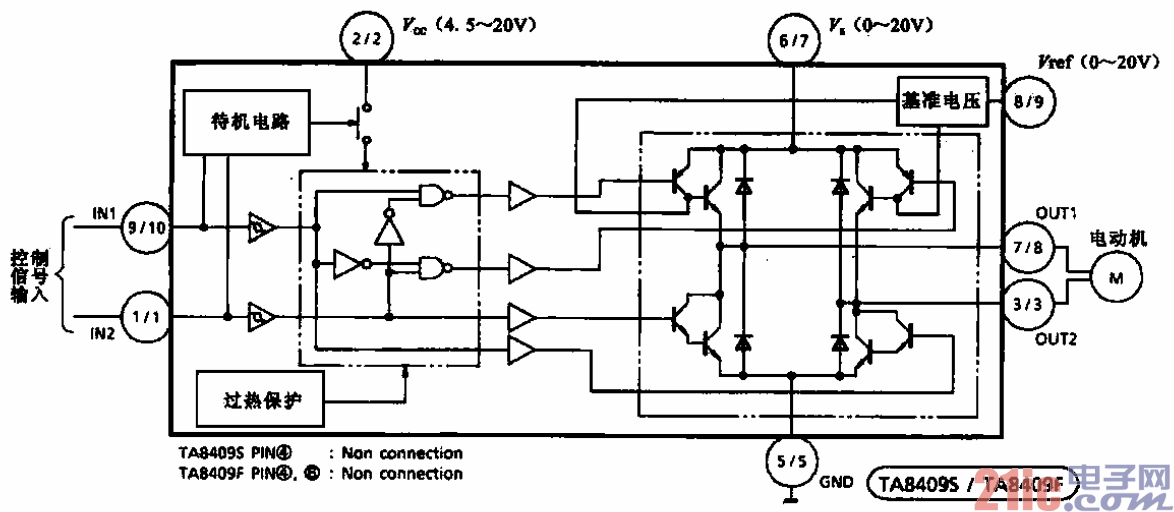
直流电动机驱动集成电路


所示为一种简单的直流电动机驱动集成电路(TA8409S、TA8409F)。来自前级的控制信号

分别由①脚、@脚、⑩脚送入集成电路中,经其内部处理后,由@脚、⑦脚、@脚输出驱动信号,去驱动

电动机旋转。

撰写答案
提 交
1 / 3
1 / 3
相关电机控制电路
直流电动机正反转控制电路
直流电动机工作原理图
大功率直流电动机过流保护电路
直流电动机控制电路
.时间继电器控制正反转启动电路
相关直流电路
直流功率计电路图
直流伺服恒流功放电路图
交直流两用功放电路制作
纯直流场效应管功放电路原理图
直流电机的可逆原理
相关直流电动机电路
直流电动机及其驱动电路图
直流电动机正反转控制电路
直流电动机调速驱动器电路图
直流电动机工作原理图
大功率直流电动机过流保护电路