0
问答首页 最新问题 热门问题 等待回答标签广场
我要提问

电机控制电路空调电路

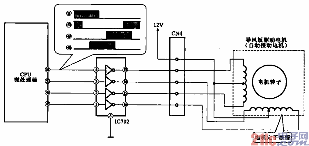
空调器水平导风板驱动电动机和电路的结构

空调器水平导风板驱动电动机和电路的结构
提问者:richips 地点:- 浏览次数:6621 提问时间:10-08 01:57
我有更好的答案
提 交
1条回答
60user69 10-14 17:43

2.空调器水平导风板驱动电动机和电路的结构.gif


所示是空调器水平导风板驱动电动机及电路的结构。该电动机是步进电动机,驱动信号由

CPU@~@脚输出,经IC702放大后去驱动电动机。分别检测CPU的输出信号和IC702的输出信号可以

判别故障。IC702输出的信号与CPU的输出信号相位相反。如有信号驱动,而电动机不转,则电动机有

故障:如无信号,再查电源供电,电源供电正常则驱动电路有故障。

撰写答案
提 交
1 / 3
1 / 3
相关电机控制电路
直流电动机正反转控制电路
直流电动机工作原理图
大功率直流电动机过流保护电路
直流电动机控制电路
.时间继电器控制正反转启动电路
相关空调电路
空调控制板原理图
BX-1393/BX-1408(电视机、录像机、音响设备和空调器)红外线遥控接收电路
空调机湿度控制应用电路
空调器相序保护电路
LC2190(空调器、电风扇、收录机、电视机和玩具)红外线、超声波和无线电遥控发射电路