0
问答首页 最新问题 热门问题 等待回答标签广场
我要提问

电源电路电源

便携式数码产品的电源供电电路

便携式数码产品的电源供电电路
提问者:崔佳雯啊 地点:- 浏览次数:8083 提问时间:04-26 18:23
我有更好的答案
提 交
1条回答
lang76 04-30 11:01

4.便携式数码产品的电源供电电路.gif


便携式数码产品的电源供电电路


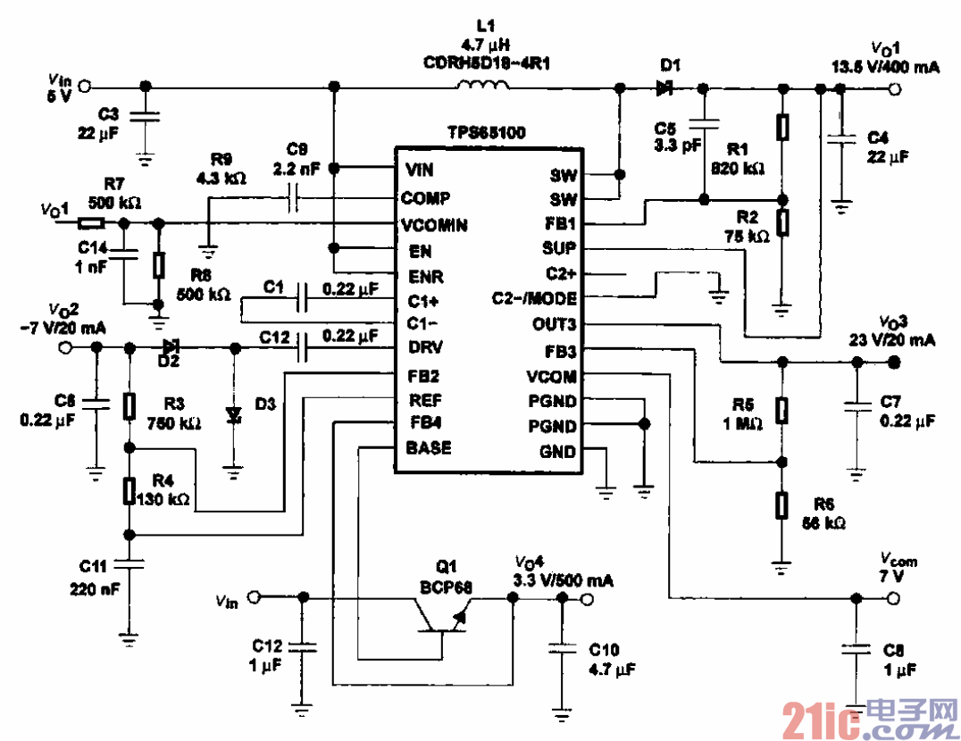
所示是液晶显示器的电源供电电路,它将+5 V电源变成多组电源输出,即+13.5 V(400 mA)、

+23V(20 mA)、-7V(20 mA)、+7V和+3.3V电源。

撰写答案
提 交
1 / 3
1 / 3
相关电源电路
无噪声的的功放电源电路
LG CF-25H84彩电开关电源电路
LG MC-8AA机心彩电开关电源电路
LG MC-022A机心彩电开关电源电路
LG MC-019A机心彩电开关电源电路
相关电源
TDA16846组成的彩电开关电源原理图
联想LX-PL4C2型彩色显示器开关电源电路
长虹CN-9机心彩电开关电源电路
索尼KV2184彩电开关电源电路
王牌TCL-3460D彩电开关电源电路