0
问答首页 最新问题 热门问题 等待回答标签广场
我要提问

控制电路通信电路

室内机通信电路

室内机通信电路
提问者:nvwueurwer 地点:- 浏览次数:7521 提问时间:04-10 02:04
我有更好的答案
提 交
1条回答
iwqudwnd 04-12 06:27

30.室内机通信电路.gif


 


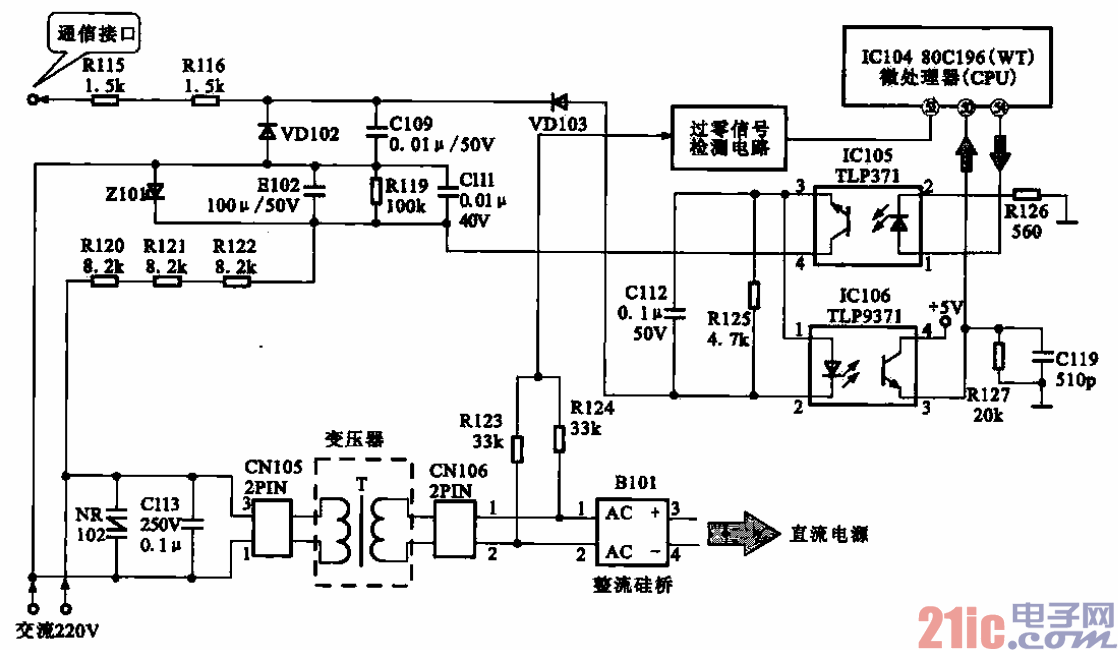
室内机的通信电路,该电路是室内机和室外机微处理器之间的信息通道。CPU⑨脚

输出控制信息经光耦传输到室外机的微处理器,CPU③脚接收来自光耦的信号,即室外机微处理器的工

作状态信号。

撰写答案
提 交
1 / 3
1 / 3
相关控制电路
C534J1型立式车床控制电路03
激光发送器及电路
C523型双柱立式车床控制电路01
全自动电热水控制电路
水塔水位控制电路
相关通信电路
卫星电视接收机高频解调及电源电路
对讲机快速充电器电路图
互补电压开关型D类功放电路
VSWR电桥的144MHz信号电路
9018三极管组成的无线话筒电路图