0
问答首页 最新问题 热门问题 等待回答标签广场
我要提问

电源电路电源

典型数码相机的电源供电电路

典型数码相机的电源供电电路
提问者:长安老庄黄宝宏 地点:- 浏览次数:3871 提问时间:03-08 14:13
我有更好的答案
提 交
1条回答
panqw 03-13 22:05

28.典型数码相机的电源供电电路.gif


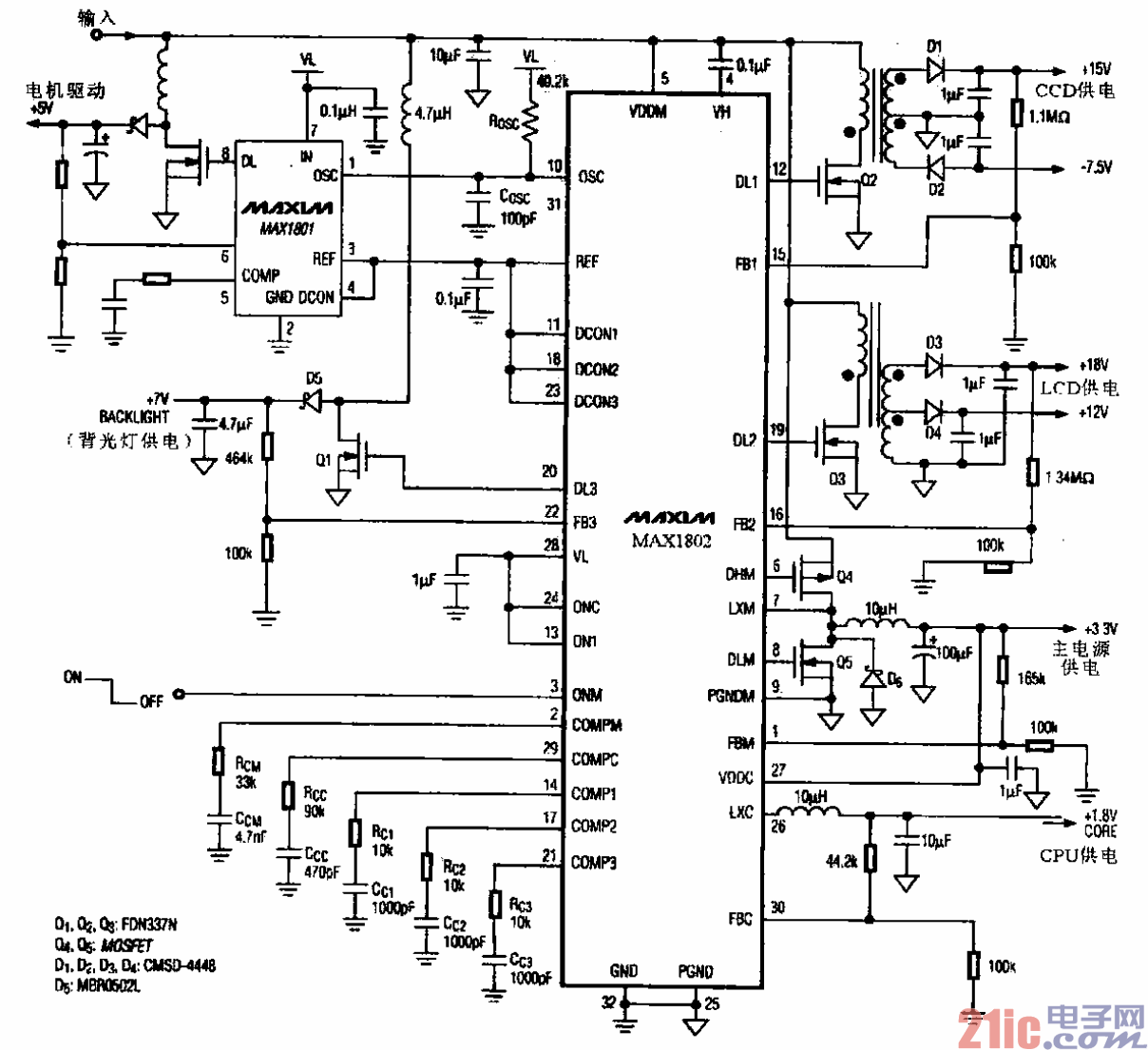
典型数码相机的电源供电电路


所示为典型数码相机的电源供电电路。数码相机通常采用电池供电,但其内部电路和器件

需要多种电压.因而需要将单一的电池供电变成多路直流输出,并尽可能降低电路的耗损,采用PWM

信号产生电路进行控制。

撰写答案
提 交
1 / 3
1 / 3
相关电源电路
无噪声的的功放电源电路
LG CF-25H84彩电开关电源电路
LG MC-8AA机心彩电开关电源电路
LG MC-022A机心彩电开关电源电路
LG MC-019A机心彩电开关电源电路
相关电源
TDA16846组成的彩电开关电源原理图
联想LX-PL4C2型彩色显示器开关电源电路
长虹CN-9机心彩电开关电源电路
索尼KV2184彩电开关电源电路
王牌TCL-3460D彩电开关电源电路