0
问答首页 最新问题 热门问题 等待回答标签广场
我要提问

通信电路红外发射电路

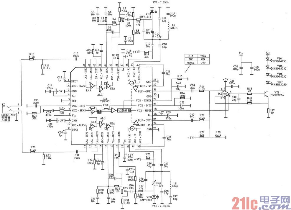
采用TSH5111/TSH512红外立体声耳机发射电路图

采用TSH5111/TSH512红外立体声耳机发射电路图
提问者:uweujvwerw 地点:- 浏览次数:3420 提问时间:01-11 05:00
我有更好的答案
提 交
1条回答
8237jfsduw 01-16 03:26

 采用TSH5111/TSH512红外立体声耳机发射电路图如下所示:


采用TSH5111 TSH512红外立体声耳机发射电路图.jpg

撰写答案
提 交
1 / 3
1 / 3
相关通信电路
卫星电视接收机高频解调及电源电路
对讲机快速充电器电路图
互补电压开关型D类功放电路
VSWR电桥的144MHz信号电路
9018三极管组成的无线话筒电路图
相关红外发射电路
遥控器编码式红外发射电路
简单的连续波单音红外光束发射器电子图
M50119P(电视机)红外线遥控发射电路
采用陶瓷谐振器的红外发射电路
红外发射电路