0
问答首页 最新问题 热门问题 等待回答标签广场
我要提问

电源电路电源

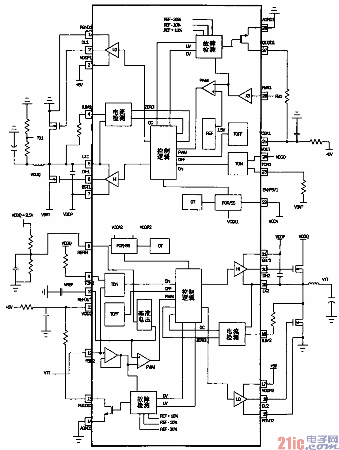
SC1486电源管理芯片的内部功能框图

SC1486电源管理芯片的内部功能框图
提问者:cong29898 地点:- 浏览次数:5090 提问时间:05-01 05:35
我有更好的答案
提 交
1条回答
LGmark 05-05 09:03

60.SC1486电源管理芯片的内部功能框图.gif


SC1486电源管理芯片的内部功能框图


SC14fl6是双路PWM信号产生电路,国脚和@脚输出一组相位相反的PWM信号,经Ql、Q2和

Ll、CT输出+2.5V电压:@脚和@脚输出第二组相位相反的PWM信号,经Q3、Q4和Ll、C6输出

+1.25 V电压,为内存供电。

撰写答案
提 交
1 / 3
1 / 3
相关电源电路
无噪声的的功放电源电路
LG CF-25H84彩电开关电源电路
LG MC-8AA机心彩电开关电源电路
LG MC-022A机心彩电开关电源电路
LG MC-019A机心彩电开关电源电路
相关电源
TDA16846组成的彩电开关电源原理图
联想LX-PL4C2型彩色显示器开关电源电路
长虹CN-9机心彩电开关电源电路
索尼KV2184彩电开关电源电路
王牌TCL-3460D彩电开关电源电路