0
问答首页 最新问题 热门问题 等待回答标签广场
我要提问

通信电路电话机振铃电路

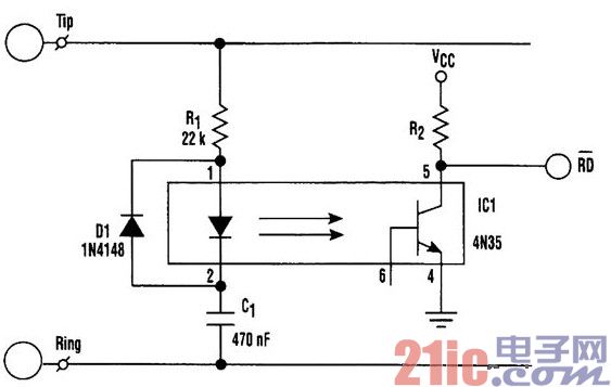
电话振铃信号检测器电路图

电话振铃信号检测器电路图
提问者:hjhdf 地点:- 浏览次数:1509 提问时间:12-26 18:48
我有更好的答案
提 交
1条回答
60user147 12-31 20:30

只要设计几个专门的集成电路就可以区分位于同一电话线上的电话振铃信号。比如美国电话电报公司的LB1006AB,或者是德州仪器公司的TMS1520A。但是,如果系统已经在使用一个微控制器了,那么这些专门芯片就会被更简单的硬件和几个字节的代码代替了。


电话振铃信号检测器.jpg

撰写答案
提 交
1 / 3
1 / 3
相关通信电路
卫星电视接收机高频解调及电源电路
对讲机快速充电器电路图
互补电压开关型D类功放电路
VSWR电桥的144MHz信号电路
9018三极管组成的无线话筒电路图
相关电话机振铃电路
有源负载及振铃信号检测电路
音调振铃器1电路图
电话振铃检测电路图
给电话振铃增加可视判断电路图
电话振铃器