0
问答首页 最新问题 热门问题 等待回答标签广场
我要提问

通信电路

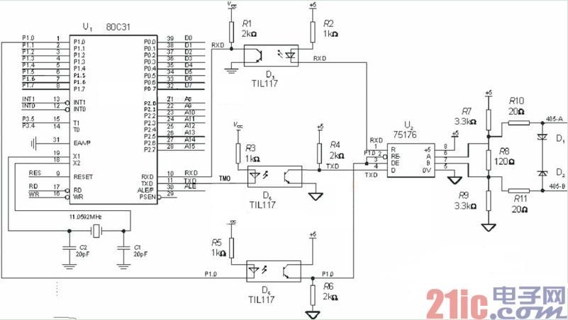
485与75176通讯电路图

485与75176通讯电路图

提问者:sdfjlsds 地点:- 浏览次数:7033 提问时间:10-17 10:38
我有更好的答案
提 交
1条回答
ureuswerwr 09-07 23:34

485与75176通讯电路图如下所示:


485与75176通讯电路图.jpg

撰写答案
提 交
1 / 3
1 / 3
相关通信电路
卫星电视接收机高频解调及电源电路
对讲机快速充电器电路图
互补电压开关型D类功放电路
VSWR电桥的144MHz信号电路
9018三极管组成的无线话筒电路图