电源电路

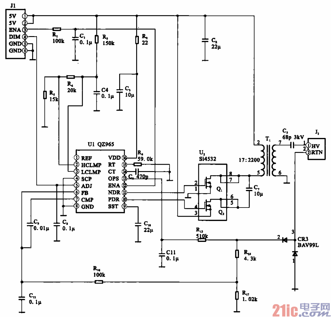
典型液晶显示器中的逆变器电路(OZ965)
所示为典型液晶显示器中的逆变器电路,该电路主要是由控制芯片02965、驱动场效应
晶体管U2、升压变压器、背光灯插座及相关电路部分构成的。
5v直流电压经插件Jl后为控制芯片UI (02965)的@脚提供直流电压;同时,经滤波电窖C2
后为驱动场效应晶体管Ul及升压变压器供电;启动控制信号(ENA)经插件Jl送入控制芯片的@脚,
逆变器电路启动后,由Ul的@脚、@脚输出两相位相反的PWM脉冲信号,经驱动场效应晶体管Ul放
大后送入升压变压器中,由升压变压器将该脉冲电压提升至约800V,经背光灯插座为背光灯管供电。