
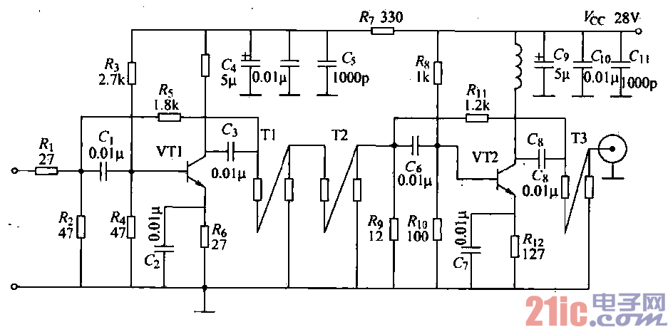
由传输线变压器与晶体管构成的宽带高频功率放大器如图所示。
晶体管VT1、VT2均为3DG12B。利用传输线变压器在宽频带范围内传送高频能量和实现放大器与放
大器之间的阻抗匹配或实现放大器与负载之间的阻抗匹配。
Tl、T2和T3是宽频带传输线变压器,Tl、T2串接组成16:1阻抗变换器,使晶体管‘VT1的高输
出阻抗与VT2的低输入阻抗相匹配。电路每一级都采用了电压负反馈电路,以改善放大器的性能。
1. 8kfl与47fl电阻串联分压给VT1放大器提供反馈,1.2ktl与12n电阻串联分压给VT2放大器提供反
馈。为了避免放大器通过电源内阻在放大器级间产生寄生耦舍,采用RC去耦滤波电路。滤波电容是由
大小和材料不同的三个电容并联组成,分别对不同的频率滤波,由于没有采用调谐回路,这种放大器应
工作于甲类状态。
电路的工作频率范围为2~30MHz,输出功率为60W。负载为50fl,经T3进行4: l阻抗变换,VT2
的集电极负载为200fl。由于工作于大功率状态,其输入电阻为12fl左右,且随输入信号大小变化,为了减
小输入阻抗变化对前级放大器的影响,在VT2的输入端并接了一个12fl的电阻,使总的输入电阻变成为
6tl,经16:1阻抗变换,VT1的豢电极负载为96fl。