
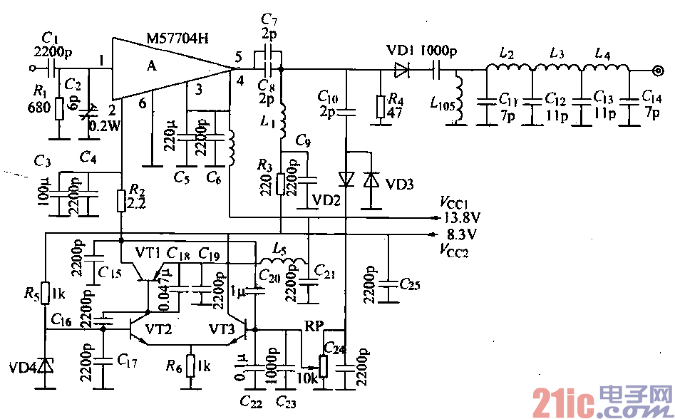
是超短波电台发信机高频功放电路。此电路采用日本三菱公司的高频集成功放电
路M57704H。
电台采用频率调制,工作频率为457—458MHz,发射功率为5w。由图可见,输人等幅调频信号经
M57704H功率放大后,一路经微带线匹配滤波后,再经过VT1送多节LC的丌型网络,然后由天线发射
出去;另一路经VD2、VD3检波.VT2、VT3直流放大后,送给VT1调整管,作为控制电压从M57704H
的第②脚输入t调节第一级功放的集电极电源,可以稳定整个集成功放的输出功率。第二三级功放的集电
极电源是固定的13. 8V。