0
问答首页 最新问题 热门问题 等待回答标签广场
我要提问

电源电路

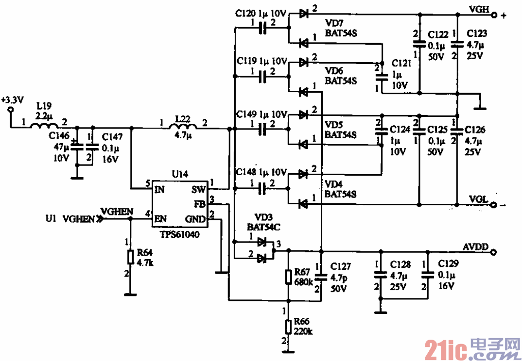
分压方式的LCD背光灯供电电路

分压方式的LCD背光灯供电电路

提问者:脑洞大赛15 地点:- 浏览次数:2239 提问时间:10-24 22:05
我有更好的答案
提 交
1条回答
ajcfmxd 11-02 16:01

82.分压方式的LCD背光灯供电电路.gif


分压方式的LCD背光灯供电电路


所示是采用分压方式给LCD背光灯供电的电路。

撰写答案
提 交
1 / 3
1 / 3
相关电源电路
无噪声的的功放电源电路
LG CF-25H84彩电开关电源电路
LG MC-8AA机心彩电开关电源电路
LG MC-022A机心彩电开关电源电路
LG MC-019A机心彩电开关电源电路