0
问答首页 最新问题 热门问题 等待回答标签广场
我要提问

通信电路直流电路

直流电流表

直流电流表
提问者:风龙陈谷子 地点:- 浏览次数:6911 提问时间:09-13 08:22
我有更好的答案
提 交
1条回答
chrisjohn 09-20 06:04

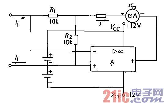
63.直流电流表.gif


由运算放大器、直流毫安表组成的浮地直流电流表电路如图所示。

    图中,运算放大器采用LM324。

    在电流测量中,浮地电流的测量是普遍存在的,例如:若被测电流无接地点,就属于这种情况。为此,

应把运算放大器的电源也对地浮动,按此种方式构成的电流表就可像常规电流表那样,串联在任何电流通

路中测量电流。

    改变电阻比(R,/R2).即可调节流过电流表的电流,以提高灵敏度。如果被测电流较大时,应给电流

表表头并联分流电阻。

撰写答案
提 交
1 / 3
1 / 3
相关通信电路
卫星电视接收机高频解调及电源电路
对讲机快速充电器电路图
互补电压开关型D类功放电路
VSWR电桥的144MHz信号电路
9018三极管组成的无线话筒电路图
相关直流电路
直流功率计电路图
直流伺服恒流功放电路图
交直流两用功放电路制作
纯直流场效应管功放电路原理图
直流电机的可逆原理