0
问答首页 最新问题 热门问题 等待回答标签广场
我要提问

电源电路滤波电路

LC滤波电路

LC滤波电路
提问者:kang322 地点:- 浏览次数:945 提问时间:10-14 22:19
我有更好的答案
提 交
1条回答
nyuwerw 10-22 08:11

5.LC滤波电路.gif


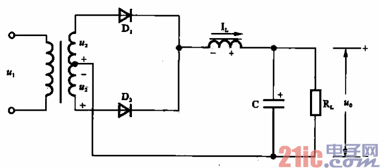
LC滤波电路


为了进一步改善滤波效果,可采用LC滤波电路,即在电感滤波的基础上,再在负载电阻器RL上并

联一个电容器,LC滤波电路如图所示。

    在图2-5所示的滤波电路中,由于RL上并联了一个电容器,增强了平滑滤波的作用,使RL并联部

分的交流阻抗进一步减小。电容值越大,输出电压中的脉动成分越小,但直流分量同没有加电容器时一

样大。

    当电感器的直流阻抗很小时,电感滤波和LC滤波的输出直流电压可近似用下式计算:

    uo≈0.9“2

撰写答案
提 交
1 / 3
1 / 3
相关电源电路
无噪声的的功放电源电路
LG CF-25H84彩电开关电源电路
LG MC-8AA机心彩电开关电源电路
LG MC-022A机心彩电开关电源电路
LG MC-019A机心彩电开关电源电路
相关滤波电路
音频滤波电路
直热式整流电子管全波整流及滤波电路
桥式整流电容滤波电路
数字滤波电路图
比较式峰值检测原理图