
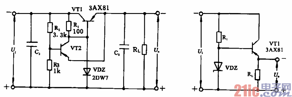
低压小电流稳压电源
所示是一种低压小电流稳压电源,它能输出稳定的-6 V电压,最大输出电流可达100 mA,
适用于收音机电路。
由图可见,在不考虑cl和C2(起滤波作用)时,电路可分为两部分:稳压部分和保护电路部分。稳
压部分由VT1、VDZ、Ri和RL构成。
短路保护电路部分由VT2、Rt、Rz和R3构成。从图可以看出,当稳压电路正常工作时,VT2发射极
电位等于输出端电压,而基极电位由U经R2和R3分压获得,发射极电位低于基极电位,发射极反偏使
\rr2截止,保护不起作用.当负载短路时,VT2的发射极接地,发射极转为正偏,VT2立即导通,而且
由于R2取值小,一旦导通,很快就进入饱和,其集一射极饱和压降近似为零,使VT1的基一射极之间的
电压也近似为零,VT!截止,起到了保护调整管VT1的作用。而且,由于VT1截止,对Ui无影响,因而
也间接地保护了整流电源。一旦故障排除,电路即可恢复正常。