
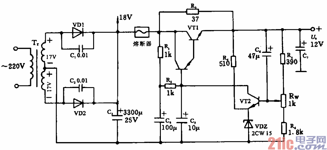
12V直流稳压电源电路
典型的12 V直流稳压电源电路如图所示。图中Tr为电源变压器,它把市电电压变为所需的两
组17 V的交流低压。整流滤波采用全波整流、电容滤波方式。
稳压部分是典型的复合调整管串联稳压电路,图中整
流二极管两端并联有O.OIpF的电容器,其作用是减小整流
管的峰值电压,且避免出现调制交流声。电容器C6的作用
是增加控制能力,因为假定当输出有-△Uo的变化时,如果
不加电容器C6,则这一变化量被Rs,凡和Rw分压后加在
VT2管的基极;而加了电容器C6后,由于电容器两端的电
压不能突变,因而其变化量的全部都将加在VT2管的基极,
提高了控制能力,进一步稳定了输出电压。