
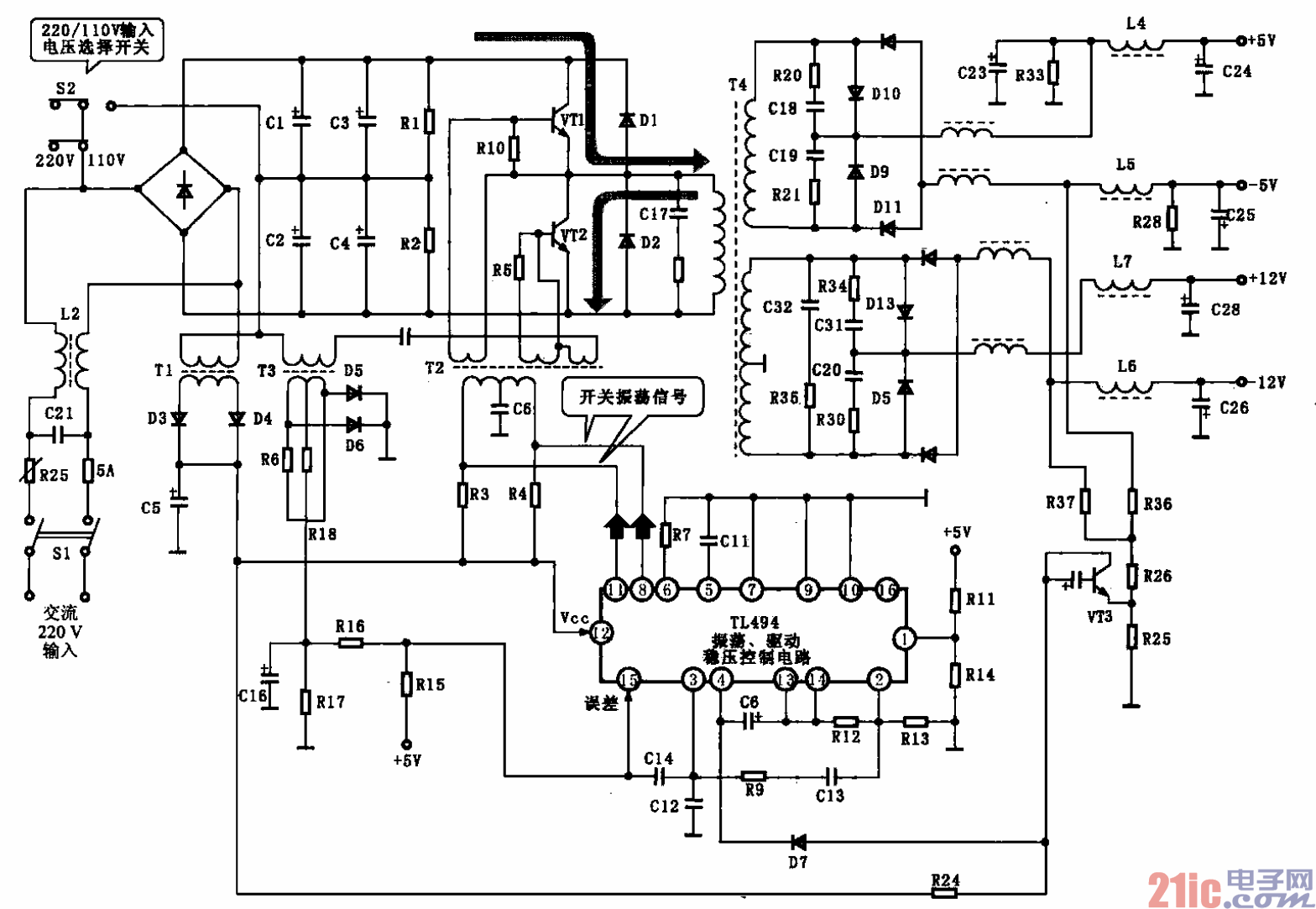
电脑主机的BE-150型开关电源电路
所示是电脑主机的BE-150型开关电源电路,开关振荡控制集成电路为TIA94。
交流220 V电压经电源开关S1、熔断器、滤波电容器C21、互感滤波器L2与桥式整流堆整流滤波成
300 v直流,为开关管VT1、VT2提供电压。集成电路TIA94⑧、⑤脚输出振荡开关信号,经变压器T2
为开关管VT1、VI2的基极提供驱动脉冲,开关脉冲经VT1、VT2放大后加到变压器T4的初级,T4的
次级经整流、滤波输出多组直流电压+5 V、+12 V。Tl、I2在开机时形成启动信号,工作后由T2的正反
馈绕组提供维持振荡器的信号。