0
问答首页 最新问题 热门问题 等待回答标签广场
我要提问

电源电路电源

康柏电脑的开关电源供电电路

康柏电脑的开关电源供电电路
提问者:droidhw 地点:- 浏览次数:7753 提问时间:12-09 19:08
我有更好的答案
提 交
1条回答
tiantian55 12-16 14:42

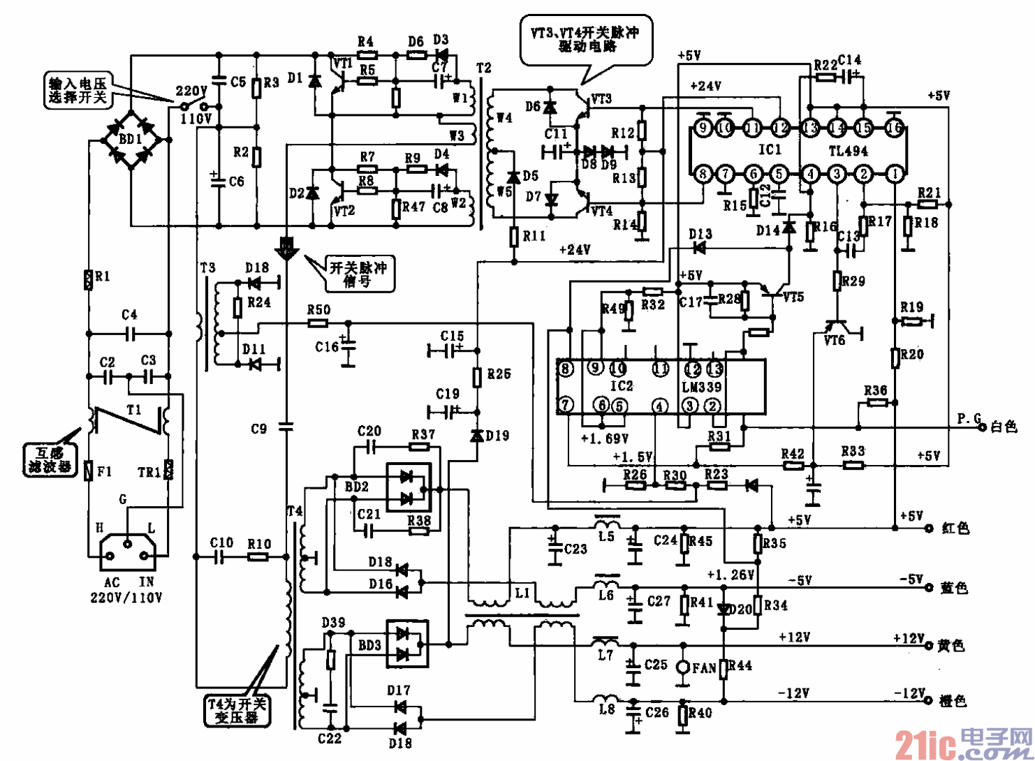
32.康柏电脑的开关电源供电电路.gif


康柏电脑的开关电源供电电路


所示是康柏电脑的开关电源供电电路,它采用了一个11A94开关振荡控制集成电路,还采用

了一个LM339运算放大集成电路作为电压比较器。

    该电路的基本工作原理与前述的电路类似,正常工作时,TL494⑧、@脚应有脉冲信号输出,VT1、

VI2工作在开关状态,变压器T2、13、T4各绕组均应有脉冲信号。如果某一直流电压失常,则应顺信号

的流程检查整流滤波元件,确诊故障所在。

撰写答案
提 交
1 / 3
1 / 3
相关电源电路
无噪声的的功放电源电路
LG CF-25H84彩电开关电源电路
LG MC-8AA机心彩电开关电源电路
LG MC-022A机心彩电开关电源电路
LG MC-019A机心彩电开关电源电路
相关电源
TDA16846组成的彩电开关电源原理图
联想LX-PL4C2型彩色显示器开关电源电路
长虹CN-9机心彩电开关电源电路
索尼KV2184彩电开关电源电路
王牌TCL-3460D彩电开关电源电路