0
问答首页 最新问题 热门问题 等待回答标签广场
我要提问

电源电路电源

LG-L1715S液晶电脑显示器开关电源电路

LG-L1715S液晶电脑显示器开关电源电路
提问者:oiewjrj 地点:- 浏览次数:1573 提问时间:02-26 05:19
我有更好的答案
提 交
1条回答
硕达科讯 03-06 21:22

35.LG-L1715S液晶电脑显示器开关电源电路.gif


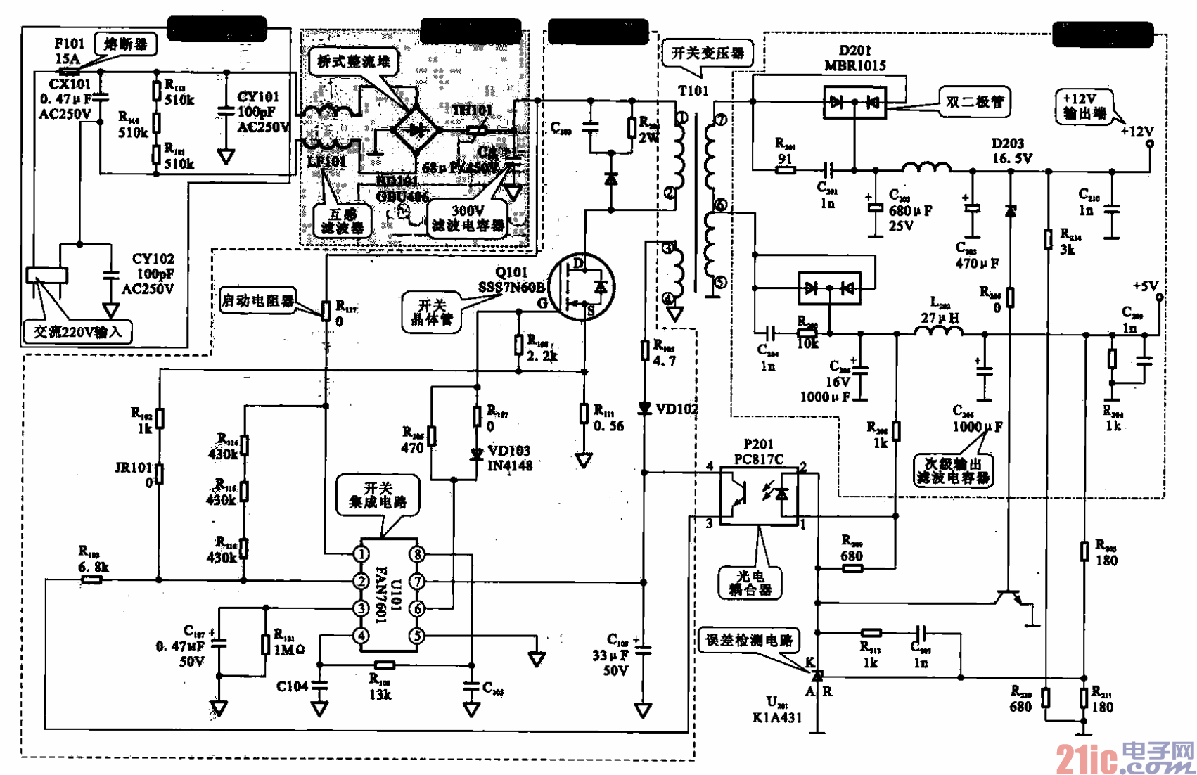
LG-L1715S液晶电脑显示器开关电源电路


所示为L时-L1715S液晶电脑显示器开关电源电路,它主要是由交流输入电路、整流滤波电

路、开关振荡电路、开关变压器T101及敬级输出电路等构成的。

撰写答案
提 交
1 / 3
1 / 3
相关电源电路
无噪声的的功放电源电路
LG CF-25H84彩电开关电源电路
LG MC-8AA机心彩电开关电源电路
LG MC-022A机心彩电开关电源电路
LG MC-019A机心彩电开关电源电路
相关电源
TDA16846组成的彩电开关电源原理图
联想LX-PL4C2型彩色显示器开关电源电路
长虹CN-9机心彩电开关电源电路
索尼KV2184彩电开关电源电路
王牌TCL-3460D彩电开关电源电路