
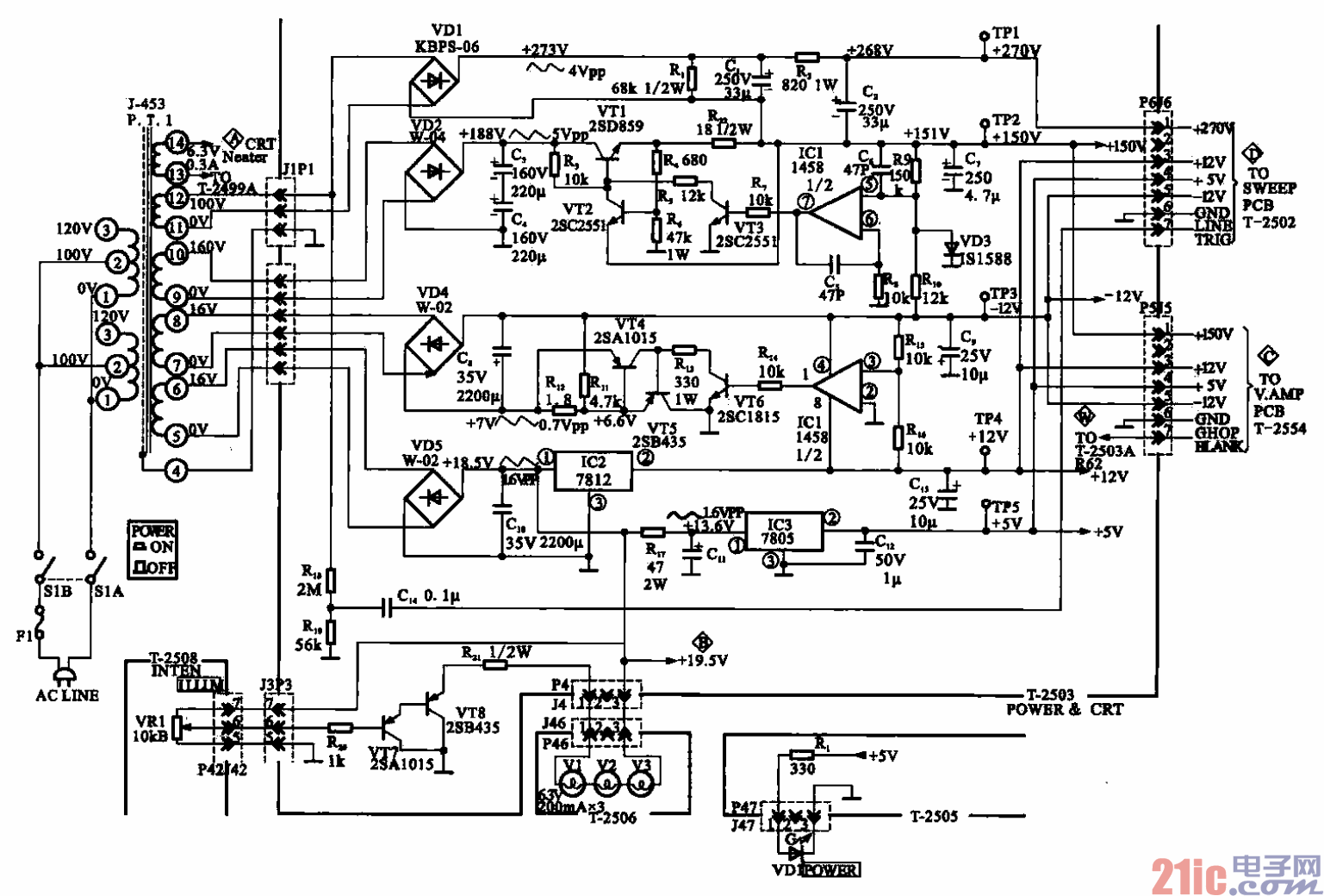
LBO-522型双踪示波器的电源电路
所示为LB0-522型双踪示波器的电源电路,它的基本功能是为示波器各种电路及器件提供
不同电压值的电源.采用变压器降压方式,220 V交流电压经变压器降压变成5组低压,其中一组为示波
管提供6,3 V的灯丝电压,其余四组分别经各自的桥式整流电路整流滤波,并经稳压电路稳压,然后输
dl+s V、±12 V、+150 V、+270 V等电压分别送到示波嚣各电路板上。
1.+270 V稳压电路
扫描电路供电的270 V电源是由桥式整流堆整流后,再经RC滤波器滤波输出得到的,然后再送到示
波器其他的电路板。正常工作时的电压值可由TP1检测点测量,+270 V电源如果失常会引起示波器扫描
电路不正常,如果电压偏低,应检查滤波电容器C2是否有漏电变质的情况。
2.+150V稳压电路
+150 V电源是由桥式整流堆(VD2)整流后经调整管VT1输出,取样电压送到IC1的⑤脚。
3.士12V电源稳压电路
士12 V电源是由桥式整流堆VD4整流,调整管为VT5,误差放大器为ICI (IC1有两个放大器,一
个用在+150V电源中)。
4.+12V、+5v稳压电路
还有一个+12 V电源和+5 V电源分别是由三端稳压器IC2 (7812)和IC3 (7805)迸行稳压的,整流
电路公用VD5。