
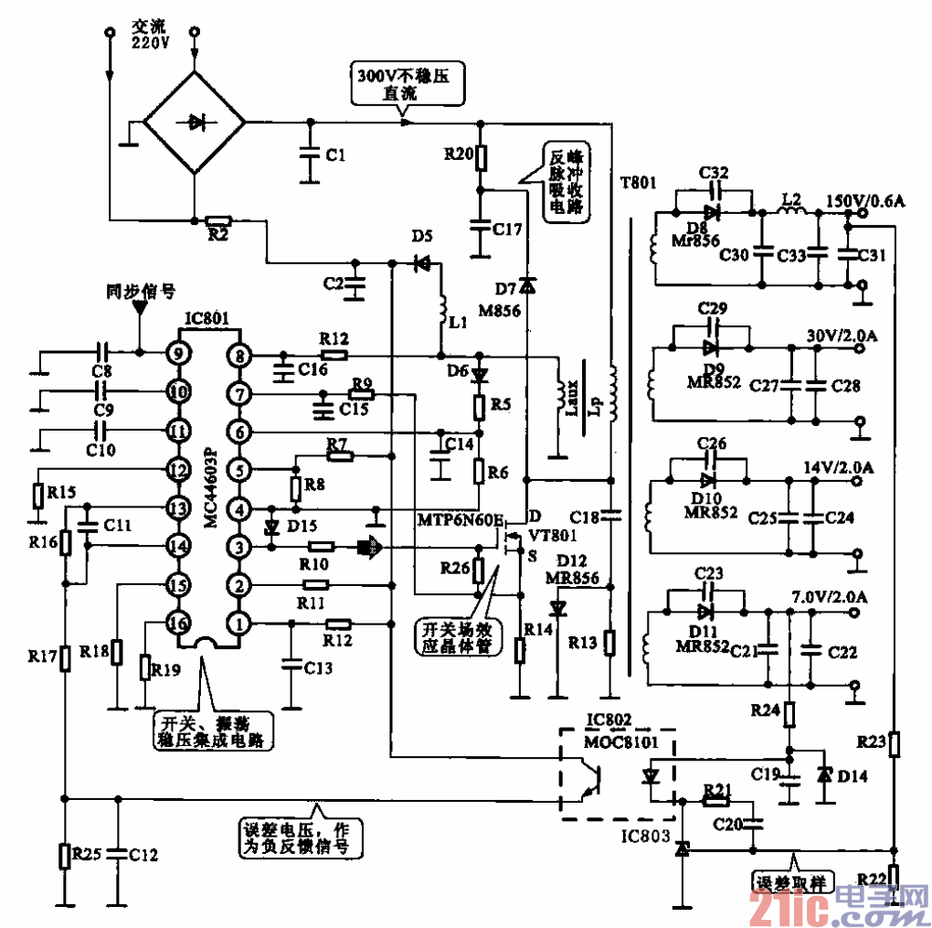
采用MC44603P的开关电源电路
所示是采用MC44603P的开关电源电路,开关振荡和稳压控制的MC44603P产生的开关脉冲
信号由@脚输出去驱动开关场效反晶体管。交流220 V电压经桥式整流堆变成约300 V的不稳压直流,加
到开关变压器T801的初级绕组上,经初级绕组后加到开关场效应晶体管的漏极(D)。电源开通后,交流
220V电压一路经R2为①脚提供启动电压,使IC801启振开始工作。开关变压器T801次级输出,经整流
滤波输出多种直流电压。
稳压电路是由误差取样放大器IC803、光电耦台器IC802等部分构成的,误取样电路设在+150 V输
出的电路中,R23和R22的分压点作为误差取样点,其电压加到IC803的误差电压输入端,经IC803放大
的误差信号再通过光电耦合器IC802反馈到IC801的⑩脚,进行稳压控制。