
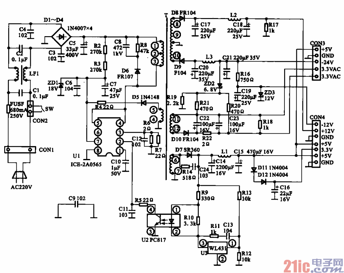
杰科GK-310A型DVD机的开关电源电路
科GK-310A型DVD机的开关电源电路如图所示。
1.开关振荡电路
交流220 V电压经整流滤波后得到的约+300 V直流电压分为两路:一路经过开关变压器T的①~③
绕组,送到Ul的④、⑤脚,另一路则经过启动电阻器R2、R3,送到U1的⑦脚,对电容器C7进行充电。
当C7正端电压充至10 V左右时,Ul内部振荡电路开始工作,产生的振荡信号推动Ul内部的场效应开
关管工作在开关状态,T的①~@绕组中有脉动的高频电流流过。根据电磁感应原理,T的④~@绕组产
生一个高频感应电压。该电压经过D5整流、R4限流、C6及C7滤波后,得到+14 V左右的直流电压送到
U]的⑦脚,为Ul内部电路提供正常工作所需的电源,使开关电源电路能稳定地工作下去。同时,开关
变压器T次级的其他绕组也分别感应出相应的高频脉冲电压。
2.稳压电路
稳压电路采用WIA31 (U3)和PC817 (U2)配合使用。其稳压过程:当由于某种原因引起输出电压
升高时,上5 V电压随之升高,取样电阻器R12、R13分压处(即U3①脚)的电压也会随之升高,从而使
U3@脚电压下降,U2内部发光二极管的亮度增强,其内部光敏三极管c-e结之间的内阻变小,U2④卿的
电压下降,即Ul②脚电压下降。该变化的电压值经Ul②脚内部的稳压控制电路处理后,控制Ul内部振
荡器输出的振荡脉冲宽度变窄,从而使场效应开关管的导通时间缩短,开关变压器次级输出的电压随之下
降,起到稳压的作用。
3.保护电路
该机中的R8、C8及D6构成了一个尖峰吸收回路,主要用于消除开关变压器漏感产生的反峰电压,
保护电源集成电路Ul内部的场效应开关管不被反峰电压击穿而损坏。ZDI起过压保护作用,R6、R7起
过流检测及过流保护作用。
4.次级输出电路
开关变压器共输出四组电压(④~@绕组除外)。其中,⑥~⑦绕组上产生的高频感应电压经D7整
流、C14、C15及Ll滤波得到+5 V的直流电压,该电压分两路输出:-路经过CON3及CON4排插送到
主板和显示板:另一路经过Dll、D12降压、Cl6滤波后,得到+3,3 V直流电压,并经过CON4排插送到
主板给解码电路提供工作电源。同时+ +5 V直流电压还作为稳压电路的取样电压使用。@~◎绕组上产
生的高频感应电压经D8整流.C17、C18及L2滤波后得到+12 V的直流电压给音频功率放大电路供电。
◎~@绕组上产生的高频感应电压经D9整流.C20、C21及L3滤波后得到-24 V左右的直流电压,为荧
光显示屏阴极供电。同时.该电压还经过电阻器R16降压、C19滤波、ZD3稳压后,得到i2 V的直流电
压给音频功率放大电路使用。@~@绕组上产生的高频感应电压经Dl0整流、C22殷C23滤波、R22限
流后,在R18两端得到3.3 V左右的直流电压,为荧光显示屏灯丝供电。