0
问答首页 最新问题 热门问题 等待回答标签广场
我要提问

电源电路电源

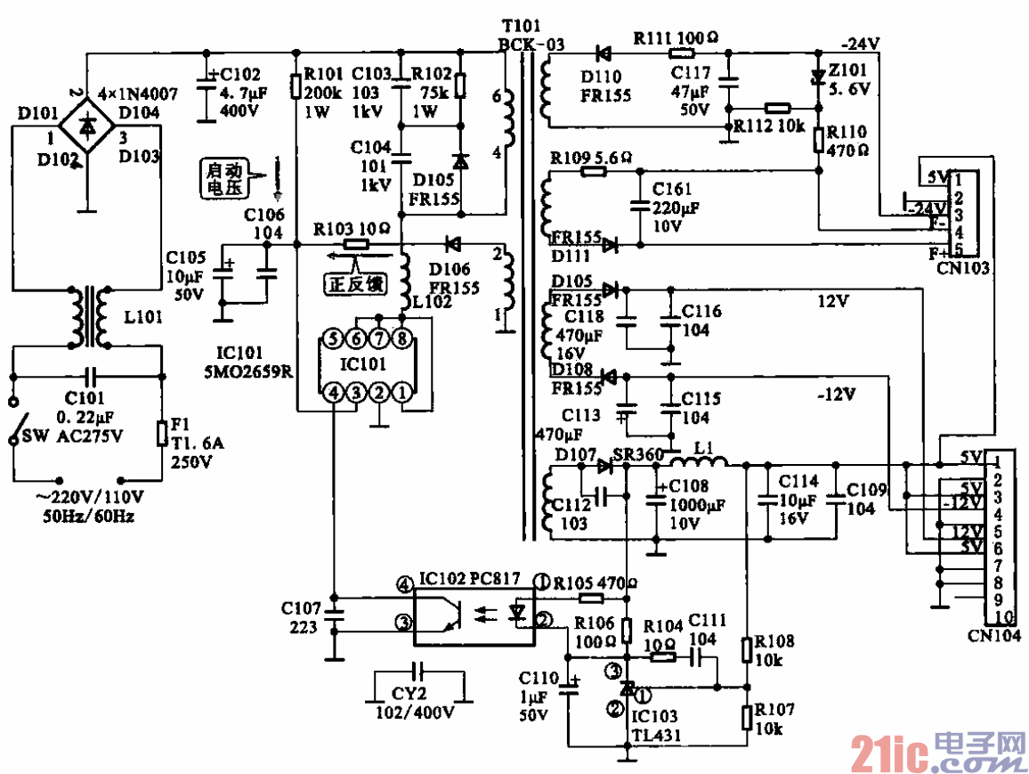
爱多ID509型开关电源电路

爱多ID509型开关电源电路
提问者:胡政鹏测试账号2 地点:- 浏览次数:1095 提问时间:07-29 11:30
我有更好的答案
提 交
1条回答
yangshuhantju 08-05 02:48

55.爱多ID509型开关电源电路.gif


爱多ID509型开关电源电路


多ID509型DVD机开关的电源以集成电路5M02659R为核心构成,该机开关电源电路曲图所示。

撰写答案
提 交
1 / 3
1 / 3
相关电源电路
无噪声的的功放电源电路
LG CF-25H84彩电开关电源电路
LG MC-8AA机心彩电开关电源电路
LG MC-022A机心彩电开关电源电路
LG MC-019A机心彩电开关电源电路
相关电源
TDA16846组成的彩电开关电源原理图
联想LX-PL4C2型彩色显示器开关电源电路
长虹CN-9机心彩电开关电源电路
索尼KV2184彩电开关电源电路
王牌TCL-3460D彩电开关电源电路