
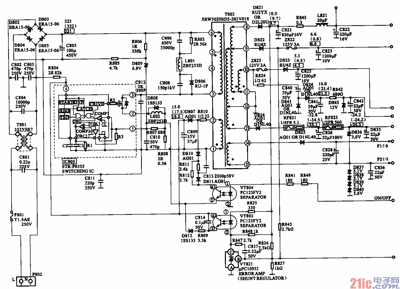
东芝SD-K320型DVD机的开关稳压电源电路
所示是东芝SD-K320型DVD机的开关稳压电源电路。由图可见,它主要是由交流输入电
路、整流滤波电路、开关振荡电路、开关变压器T802、次级整流滤波和稳压电路等构成的。
(1)交流输入电路
交流输入电路由熔断器F801、互感滤波器T801及滤波电容器CSOI~C804等构成。
(2)整流滤波电路
220 V交流电压经滤波后由二极管D802~D805和滤波电容器C805构成的桥式整流电路进行整流滤
波,然后输出约300 V的直流电压并送到开关变压器T802的⑤脚。
(3)开关振荡电路
开关振荡电路主要是由JC803和外围电路等构成的。振荡电路、稳压控制电路和开关场效应晶体管
等部分都集成在IC803 (S-IR-F6535)之中。开机后,220V交流电压经整流输出的300V直流电压经开
关变压器T802的初级绕组@~③加到IC803的③脚,◎脚内接开关晶体管的漏极。在开机的同时,交流
输入电压经R804形成启动电压并加到IC803的④脚,使IC803内的振荡电路启振,开关变压器T802的
初级绕组中开始有开关电流产生。
T802的次级绕组①~②会感应出开关信号.②脚的输出经整流滤波电路形成正反馈信号并叠加列
IC803的④脚,保持④脚有足够的直流电压维持IC803中振荡电路豹振荡,使开关电路进入稳定的振
荡状态。
(4) 次级整流输出电路
T802的次级有多个绕组,每个绕组的输出端都接有整流滤波电路,分别输出lo V、6.6 V、Sv、11.8 V、
-24V等电压。
误差检测电路设在+10 V输出电路中,R826和R827的分压点为电压取样端,取样电压加到VT821
的R输入端a光电耦合器vr802接在VT821的C端,当输出电压变化时会引起VT802中发光二极管的
发光强度发生变化,这样会使VT802中光敏晶体管集电极和发射极之间的阻抗发生变化。VT8Q2的③脚
接在IC803的①脚.IC803的①脚为稳压负反馈信号的输入端。这个环路使输出电压得以稳压。
(5)开机/待机控制电路
来自微处理器的开机/待机控制信号加到光电耦合器VT804的①脚,通过VT804对开关电源的振荡
状态进行开机和待机控制,在待机状态下开关电源为间歇振荡。