
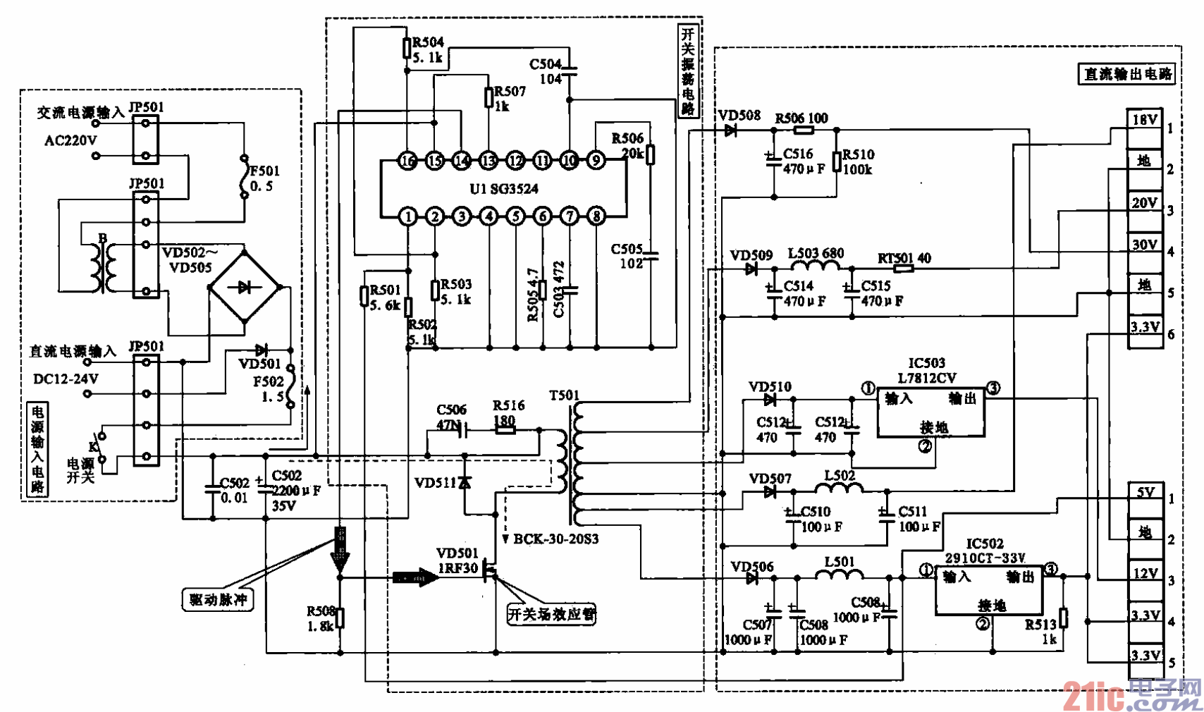
长虹DVB-2000型数字卫星接收机开关电源电路
长虹DVB -2000数字卫星接收机项盒的开关电源电路主要是由电源输入电路、开关振荡电路、直流
输出电路等构成的,如图所示。
(1)电源输入电路
图所示电路中,220 V交流电经降压变压器B和桥式整流电路VD502—VD505整流后,经熔断
器F502和电源开关K送到开关电源电路中。
外部输入的12—24 V直流电源也通过F502和K送到开关电源电路中,在输入电路中串接了一个整
流二极管VD501。
整流二极管VD501主要起两个作用:
①二极管具有单向导电性.对异常电压有隔离作用。
②将交流220 V和外部输入的直流电源的输入隔离,有交流220V输入时,外部直流电压输入不起
作用,可防止两种输入同时工作。
(2)开关振荡电路
开关振荡电路是由开关晶体管VD501、开关振荡集成电路Ul和开关变压器T501等构成的。集成电
路Ul SG3524 fr
电源进入工作状态。稳压电路接在+5 V的输出端,+5 V输出电压经取样电阻器R501、R502分压后获得
+2.5 V的取样电压并送至Ul的①脚作为负反馈信号,当输出电压上升时,Ul (SG3524)内部误差电压
将上升,uI@脚输出的脉冲宽度将变窄,从而使输出电压下降,从而达到稳压目的。
(3)直流输出电路
直流输出电路和~般数字卫星接收机中输出电路的原理相同。由VD506组成的一路+5V电源向音频
D/A转换器、调谐器等供电,同时通过低压差(LDO)三端稳压集成器(IC502)输出所需的稳定电压。
IC502的输入电压为Sv,输出为3.3 V。