0
问答首页 最新问题 热门问题 等待回答标签广场
我要提问

电源电路电源

大功率直流稳压电源-主回路电路

大功率直流稳压电源-主回路电路
提问者:bbs注册 地点:- 浏览次数:2329 提问时间:01-06 16:18
我有更好的答案
提 交
1条回答
一根玉米须 01-11 03:29

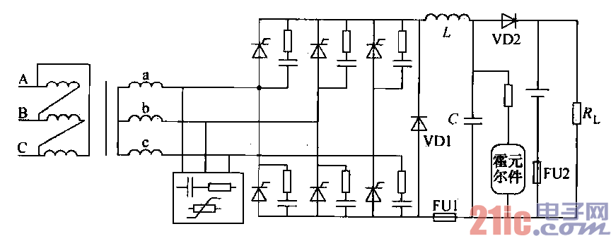
31.大功率直流稳压电源-主回路电路.gif


为了减少对电网的干扰,特别是减少整流装置高次谐波对电网的影响,系统主电路采用晶闸管三相全

控整流电路,输出采用r型滤波器,主电路如图12-3J所示。三相全控桥式整流电路与三相半波整流电路

相比,输出整流电压提高一倍,输出电压脉动较小,变压器的利用率高,且无直流磁化问题。由于三相桥

式整流电路控制快速性好,因而在大容量负载供电、电力拖动控制等方面获得广泛的应用。

    在设计过程中,采用了理论分析和工程算法相结合的方法。这里对各个环节的原理、作用和计算加以

简单的说明。

撰写答案
提 交
1 / 3
1 / 3
相关电源电路
无噪声的的功放电源电路
LG CF-25H84彩电开关电源电路
LG MC-8AA机心彩电开关电源电路
LG MC-022A机心彩电开关电源电路
LG MC-019A机心彩电开关电源电路
相关电源
TDA16846组成的彩电开关电源原理图
联想LX-PL4C2型彩色显示器开关电源电路
长虹CN-9机心彩电开关电源电路
索尼KV2184彩电开关电源电路
王牌TCL-3460D彩电开关电源电路