
当你忘记关掉电源开关的时候,会浪费电能,带来不安全因素,这是决不允许的。为了保电路安全,
节约电能,本电路可以解央偶尔忘记关断电源开关的问题,如图所示。
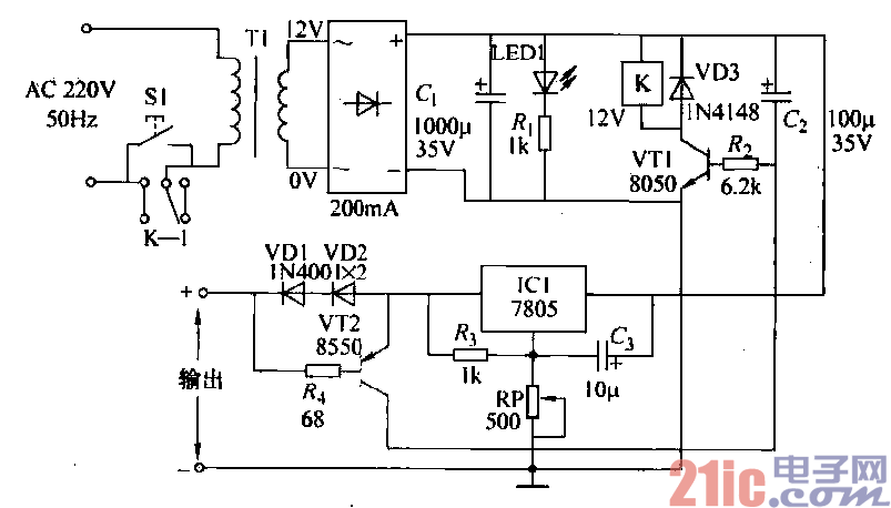
该电源主要有两个功能:
1)由固定集成稳压电路ICl (7805)构成3.7—8. 7V可调电源(VD1和VD2压降约为1.3V).调节
RP的阻值,可改变输出电压,RP的阻值每改变1000,输出电压即变化1V。
2)在没有负载连接时,电源经过一段时间延时后会自行关断总电源。这个功能由晶体管VT1、VT2
和二极管VD1、VD2及电容C2实现。负载正常工作时,在二极管VD1、VD2上约有1.3V的压降,使得
VT2、VT1饱和导通。继电器K工作,常开触点闭合,保证电源回路正常供电。同时,电容G通过VT2
被充电至7—8V。当负载断开时,VT2截止,但由于C2的放电作用.VT1会继续保持导通状态:经过一
段延时后,VT1截止,K-l断开,切断整个电源回路,实现自行完全关断i其中延时时间的控制,由C2的
容量决定。容量增大时,延时时间变长,反之亦然。如果要重新恢复供电,则只要按动Sl即可。
设计时,选二次侧电压为0—12V,250mA的变压器(-ri)。图示参数在输出电流超过200mA时,集
成稳压电路IC1需加散热器。当变压器二次侧电压超过12V时,RP和K的参数需重新调整。其他元器件
选择请参照图中标注。