0
问答首页 最新问题 热门问题 等待回答标签广场
我要提问

电源电路电源

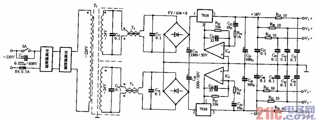
一款伺服式稳压电源电路图

一款伺服式稳压电源电路图
提问者:tianyou15 地点:- 浏览次数:946 提问时间:02-12 11:47
我有更好的答案
提 交
1条回答
Ada543 02-17 17:01

 下图所示的是一款功放专用的伺服式稳压电源电路图。电路采用78 1 8和79 1 8两只正负输出的集成稳压器,LF353作伺服电路,输出三组正负对称的18v电压。该电路采用双桥式整流供电,交流输入采用了两级交流电源滤波净化方式,进一步提高了电源的纯净度。


一款伺服式稳压电源电路图.jpg

撰写答案
提 交
1 / 3
1 / 3
相关电源电路
无噪声的的功放电源电路
LG CF-25H84彩电开关电源电路
LG MC-8AA机心彩电开关电源电路
LG MC-022A机心彩电开关电源电路
LG MC-019A机心彩电开关电源电路
相关电源
TDA16846组成的彩电开关电源原理图
联想LX-PL4C2型彩色显示器开关电源电路
长虹CN-9机心彩电开关电源电路
索尼KV2184彩电开关电源电路
王牌TCL-3460D彩电开关电源电路