0
问答首页 最新问题 热门问题 等待回答标签广场
我要提问

光电电路led驱动电路发光二极管驱动电路

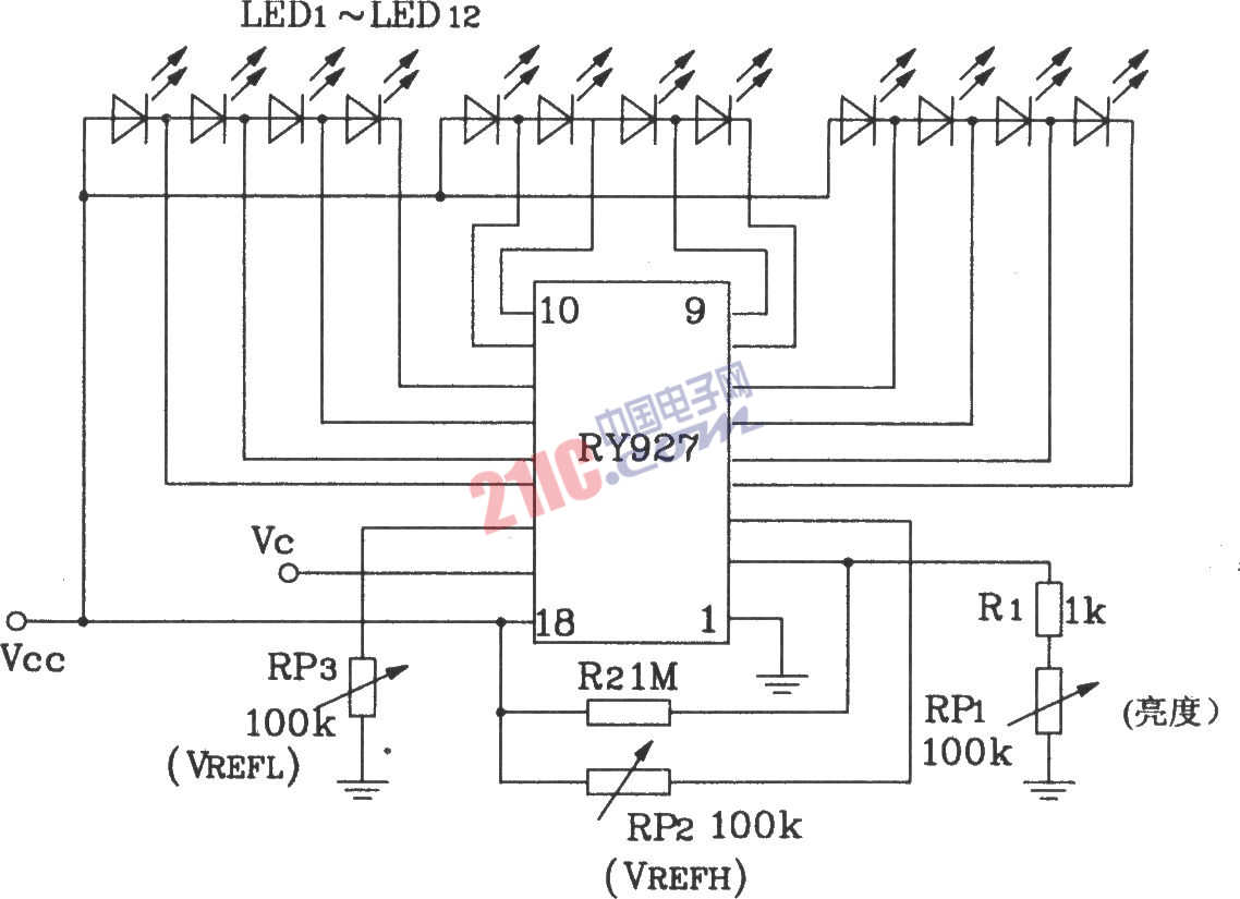
RY927多段LED驱动线性显示器典型应用电路图

RY927多段LED驱动线性显示器典型应用电路图
提问者:uyvwyewr 地点:- 浏览次数:4232 提问时间:03-12 02:25
我有更好的答案
提 交
1条回答
60user181 03-14 05:04

RY927多段LED驱动线性显示器典型应用电路

 

RY927多段LED驱动线性显示器典型应用电路图

 

撰写答案
提 交
1 / 3
1 / 3
相关光电电路
具有音调控制的单片机立体声前置放大器
用于单片机与电子装置中的开关电源
TA7654P/TA7655P构成5点一条LED显示驱动电路图
用直流电点燃日光灯线路
7段LED显示器的分时驱动电路图
相关led驱动电路
大功率led驱动电路图
TA7654P/TA7655P构成5点一条LED显示驱动电路图
7段LED显示器的分时驱动电路图
线性LED驱动器半桥LLC电路
发光二极管(LED)显示驱动电路
相关发光二极管驱动电路
TA7654P/TA7655P构成5点一条LED显示驱动电路图
7段LED显示器的分时驱动电路图
线性LED驱动器半桥LLC电路
发光二极管(LED)显示驱动电路
SAA1064串行I2C总线LED显示驱动集成电路静态驱动接口电路图