0
问答首页 最新问题 热门问题 等待回答标签广场
我要提问

光电电路

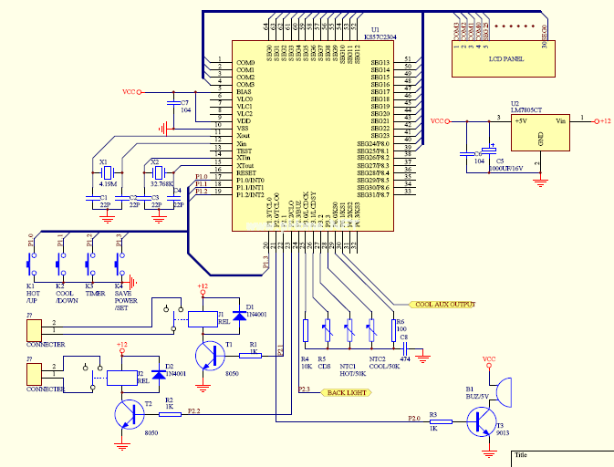
安吉尔饮水机,三星57C2304,带LCD显示,Protel原版截图!

安吉尔饮水机,三星57C2304,带LCD显示,Protel原版截图!

提问者:kylin2016 地点:- 浏览次数:5039 提问时间:01-10 18:10
我有更好的答案
提 交
1条回答
hzy_jack 01-17 21:04
点击看大图
撰写答案
提 交
1 / 3
1 / 3
相关光电电路
具有音调控制的单片机立体声前置放大器
用于单片机与电子装置中的开关电源
TA7654P/TA7655P构成5点一条LED显示驱动电路图
用直流电点燃日光灯线路
7段LED显示器的分时驱动电路图