0
问答首页 最新问题 热门问题 等待回答标签广场
我要提问

光电电路

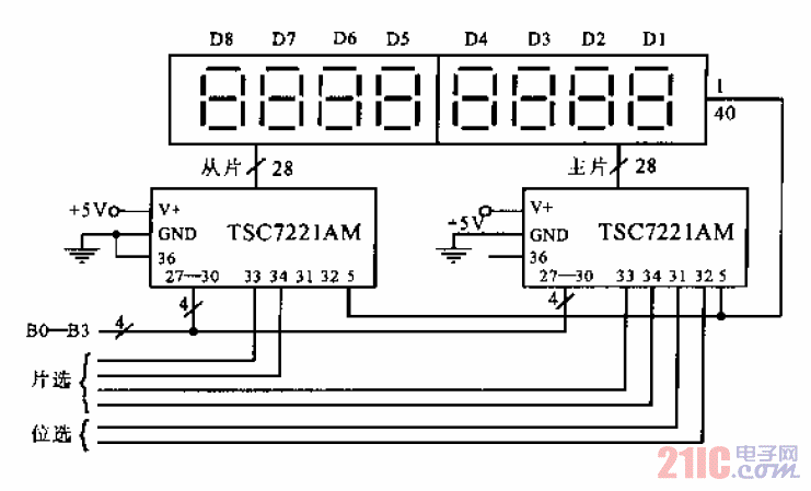
4位LCD驱动电路TSC7211AM的级联应用

4位LCD驱动电路TSC7211AM的级联应用

提问者:zhan81411 地点:- 浏览次数:4460 提问时间:03-03 14:24
我有更好的答案
提 交
1条回答
阿南科院 03-04 00:29

4位LCD驱动电路TSC7211AM的级联应用.gif

撰写答案
提 交
1 / 3
1 / 3
相关光电电路
具有音调控制的单片机立体声前置放大器
用于单片机与电子装置中的开关电源
TA7654P/TA7655P构成5点一条LED显示驱动电路图
用直流电点燃日光灯线路
7段LED显示器的分时驱动电路图