0
问答首页 最新问题 热门问题 等待回答标签广场
我要提问

光电电路led驱动电路

大功率LED驱动器的典型应用电路TPS92310方框图

大功率LED驱动器的典型应用电路TPS92310方框图
提问者:519谢同学 地点:- 浏览次数:737 提问时间:02-13 07:36
我有更好的答案
提 交
1条回答
lin9470 02-22 01:34

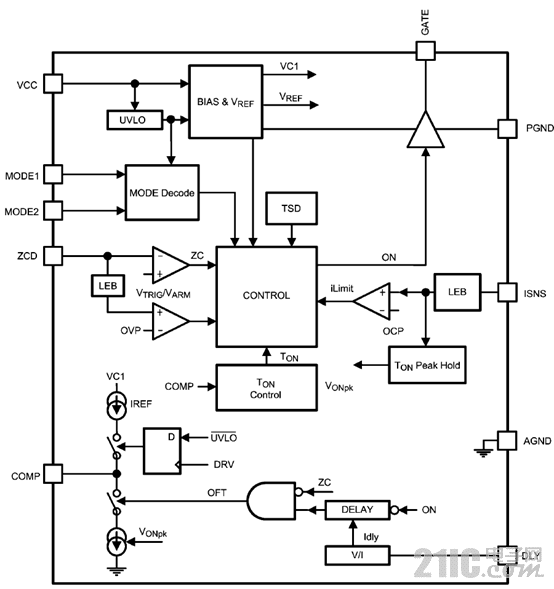
 TI 公司的TPS92310是离线初级侧检测带PFC的控制器,设计用来照明的大功率LED驱动器,采用恒定的导通时间和准谐振开关技术,具有高的功率系数,良好的EMI行能和高的系统效率。主要用在A19 (E26/27,E14),PAR30/38和GU10型LED灯与固态照明。本文介绍了TPS92310主要特性,方框图


  图1.TPS92310方框图


TPS92310方框图.gif

撰写答案
提 交
1 / 3
1 / 3
相关光电电路
具有音调控制的单片机立体声前置放大器
用于单片机与电子装置中的开关电源
TA7654P/TA7655P构成5点一条LED显示驱动电路图
用直流电点燃日光灯线路
7段LED显示器的分时驱动电路图
相关led驱动电路
大功率led驱动电路图
TA7654P/TA7655P构成5点一条LED显示驱动电路图
7段LED显示器的分时驱动电路图
线性LED驱动器半桥LLC电路
发光二极管(LED)显示驱动电路