R1211系列是采用CM0S工艺生产的低功耗、具有电流控制功能的开关式升压变换器。其外围电路简单,只需一个电感,一个二极管,一个场效应管和几个电阻、电容。其输人电压范围是2.5~5.5V,适用于单节锂离子电池或普通干电池组供电。芯片内部为PWM调制方式,可以产生高达15V的输出电压,能够驱动3个串联白光LED。
R1211系列芯片采用了相补偿反馈回路,令整个升压的转换过程反应更加迅速,输出电压更加平稳。R1211的最太占空比是90%。芯片内建软启动的延时时间为太约10ms左右。电路接通后,当过了延迟时间后,会由保护电路判断当前状态,如果当前占空比为最大值,且维持了一个特定的时间后,芯片的输出驱动口就会被保护电路锁定,从而关断电路起到保护的作用。可以用一个外接的电容来调节所需要的延迟保护时间,以适应不同的应用场合。
R1212具有1.4MHz的固定开关频率,因而可采用小巧的外部组件,并可最大限度地减少输入和输出纹波。它尤其适合在要求低输入和输出噪声的应用场合。
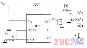
R1212驱动白光LED应用电路如图所示,芯片内部的控制电路会根据FB引脚的电压来控制外部场效应管,所以会让电路稳定在设定的输出值上。因为所有的串联白光LED有非常一致的电流,所以可使各个白光LED的色相差异减少到最低。白光LED电流由反馈引脚上的电阻R1根据R1=RFB/ILED(UFB=1.0V)设置。

R1211是专门为单节锂离子电池供翘驱动2~4个白光LED的电子设各而优化设计的白光LED驱动器,是要求小电路尺寸、高效率和匹配白光LED亮度的理想驱动器。