0
问答首页 最新问题 热门问题 等待回答标签广场
我要提问

光电电路led驱动电路

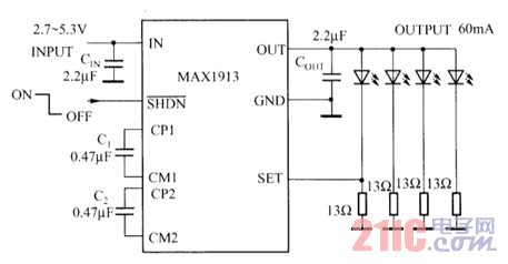
MAX1913驱动白光LED电路图

MAX1913驱动白光LED电路图
提问者:绵阳迪赛刘总 地点:- 浏览次数:10872 提问时间:03-29 15:08
我有更好的答案
提 交
1条回答
广陵云峰 04-01 03:09

MAX1913的输入电压范围为2.7~5.3V,它可提供稳定的输出电压或输出电流,以驱动白光LED。MAX1913驱动白光LED电路如图所示。它只需4个小陶瓷电容而无 须电感就能完整地组成DC/DC调节器。其独特的电荷泵设计可使输入纹波减小,且能在很宽的负载范围内维持稳定的750kHz开关频率。MAX1913还包括逻辑电平关 断和软启动功能,以减小启动时的输入浪涌电流。其主要特性如下。


MAX1913驱动白光LED电路图.gif

撰写答案
提 交
1 / 3
1 / 3
相关光电电路
具有音调控制的单片机立体声前置放大器
用于单片机与电子装置中的开关电源
TA7654P/TA7655P构成5点一条LED显示驱动电路图
用直流电点燃日光灯线路
7段LED显示器的分时驱动电路图
相关led驱动电路
大功率led驱动电路图
TA7654P/TA7655P构成5点一条LED显示驱动电路图
7段LED显示器的分时驱动电路图
线性LED驱动器半桥LLC电路
发光二极管(LED)显示驱动电路