0
问答首页 最新问题 热门问题 等待回答标签广场
我要提问

光电电路led驱动电路

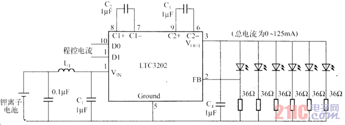
LTC3202驱动白光LED电路图

LTC3202驱动白光LED电路图
提问者:爱电子dong东 地点:- 浏览次数:9104 提问时间:09-11 01:53
我有更好的答案
提 交
1条回答
Sandyjia 09-15 15:05

LTC3202是Linear TECHNOLOGY公司生产的不需要门控振荡器的电荷泵,图为采用LTC3202电荷泵的锂离子电池供电驱动白光LED电路。为了克服噪声问题,LTC3202使用了线性调控技术,以确保转换电容的充电和放电电量正好满足负载电流的需要,且使在每个时钟周期内都能保持一个常量,从而确保它们无法产生音频分量。


LTC3202驱动白光LED电路图.gif

撰写答案
提 交
1 / 3
1 / 3
相关光电电路
具有音调控制的单片机立体声前置放大器
用于单片机与电子装置中的开关电源
TA7654P/TA7655P构成5点一条LED显示驱动电路图
用直流电点燃日光灯线路
7段LED显示器的分时驱动电路图
相关led驱动电路
大功率led驱动电路图
TA7654P/TA7655P构成5点一条LED显示驱动电路图
7段LED显示器的分时驱动电路图
线性LED驱动器半桥LLC电路
发光二极管(LED)显示驱动电路